Breadcrumbs

Operators

The operators compare different inputs and make calculations based upon them.

Control generator

Name

Description

image-20220401-140411.png

Activator

This BC creates a 1 or 0 based on the relevant input signal. It can be used as a 2-point measuring control strategy for a thermal store.

image-20220401-140426.png

Comparison

This BC creates a 1 if the input in A is larger than B and a 0 if B is larger than A.

image-20220401-140452.png

Difference

This BC is a simple mathematical difference between A and B.

image-20220401-140612.png

Hysteresis and integrator

This BC uses a hysteresis or integrator function on the input signal.

image-20220401-140556.png

Minimum & Maximum

This BC gives either the minimum or the maximum of all the signals connected on the input.

image-20220401-140647.png

Multiply

This BC multiplies all the input signals connected.

image-20220401-140736.png

Negative

This BC makes the signal negative.

image-20220401-140750.png

Piecewise linear function & function expression

This BC uses functions on the input signal, which can be changed to fit the needs of the project.

image-20220401-140806.png

Scaling and truncating

This BC allows for scaling of values.

image-20220401-140818.png

Sum

This base circuits sums all the inputs together.

image-20220401-140827.png

Low pass circuit

The Low pass circuit puts a time delay on a value change.

image-20220401-140841.png

Delay

This BC puts a delay on the signal. This can be used to let a pump run 5 minutes longer for example.

image2020-2-27_0-28-51.png

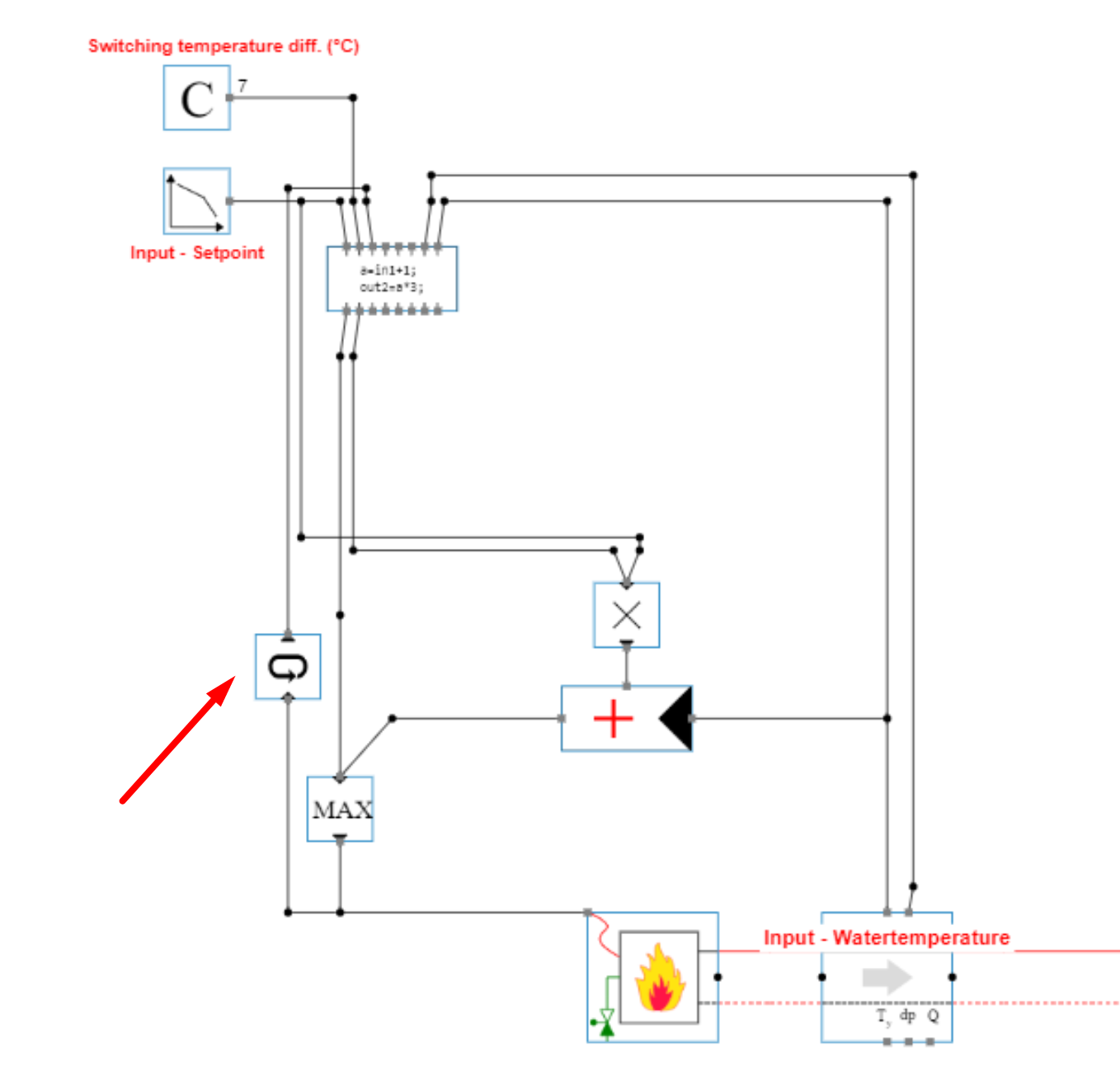
Loop Back

This BC is necessary if you want to loop a signal back (in the next timestep)
Here is an example in which the resulting signal to control the boiler is looped back towards the controller:

image2020-2-27_0-27-56.png