Breadcrumbs

Heat Interface Unit (HIU)

The templates consist of various configurations with HIU’s.

HIU - Boiler - Large water content

image-20191216-073651.png

The system represents a small apartment building with 8 apartments, 4 of which have radiator heating (left) and 4 have floor heating (right). A boiler with a large water content is used, because the flow through the boiler is variable and can be nearly zero. More information on concepts for large or small water content can be found in Boiler . Every apartment has HIU’s for DHW and has an ecodesign tap profile. The boiler has a constant boiler temperature of 75°C. For DHW diversity rates are calculated to minimise the oversizing of every component. More information on diversity calculations can be found in Satellite units and simultaneous flows .

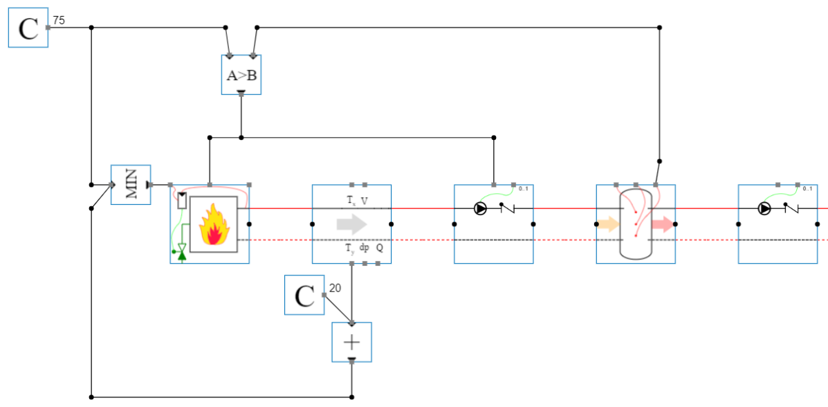
HIU - Boiler - Large water content - Storage tank

image-20191216-080354.png

This template is similar to the previous template “HIU - Boiler - Large water content”, except for the storage tank. The boiler is activated if the bottom temperature of the storage tank is lower than 75°C. Because of the large water content of the boiler, the boiler is able to get high outgoing temperatures even though the ingoing temperature is low.

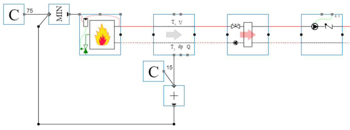
HIU - Boiler - Small water content

image-20191216-080430.png

This template is similar to the previous template “HIU - Boiler - Large water content”, except for the small water content boiler. Because of the small water content boiler, a low loss header is used. More information on concepts for large or small water content can be found in Boiler . The boiler has a constant temperature of 75°C, except if the return temperature is lower than 75°C. If the return temperature is lower, the boiler temperature is the summation of the return temperature and 15°C, because small water content boilers typically have a constant temperature difference between the ingoing and outgoing temperature.

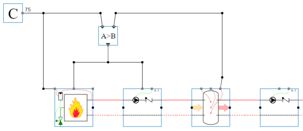
HIU - Boiler - Small water content - Storage tank

image-20191216-080544.png

This template is a combination of the previous template “HIU - Boiler - Large water content - Storage tank” and “HIU - Boiler - Small water content“.

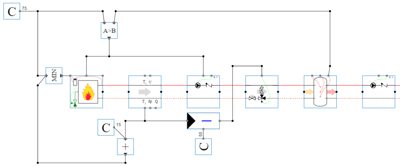
HIU - Boiler - Small water content - Storage tank - Return temperature monitoring

image-20191216-080640.png

This template is similar to the previous template “HIU - Boiler - Small water content - Storage tank“, except for a 3-way modulating valve to ensure a constant return temperature of 55°C. If the return temperature is lower than 55°C, the PI controller will close the 3-way valve, taking more hot water from the supply pipe to mix with the cold return temperature.