Breadcrumbs

Error/warning overview

⏳ Loading a particular message when being automatically directed may take several seconds. Please wait until the browser tab has fully loaded.

Error/warning overview

  1. System Check (SYS)

    1. Errors (ESYS)

    2. Warnings (WSYS)

  2. Compute design flow (PRO)

    1. Errors (EPRO)

    2. Warnings (WPRO)

  3. Pipe selection (PIP)

    1. Errors (EPIP)

    2. Warnings (WPIP)

  4. Optimise system components (OPT)

    1. Errors (EOPT)

    2. Warnings (WOPT)

  5. Simulation (SIM)

    1. Errors (ESIM)

    2. Warnings (WSIM)

  6. General (GEN)

    1. Errors (EGEN)

    2. Warnings (WGEN)


System Check (SYS)

Errors (ESYS)

Error ESYS00001: Pump missing on ... / no pumps for ...
ESYS00001

The error message

image-20221214-123517.png

Meaning

This error shows the fact that there is no pump placed to provide the necessary flow to the production unit/end unit/valves.

This can happen with a multitude of different components. The errors are as follows:

  • No pump for

    • Gate X of this buffer

    • the ventilation cooling unit

    • this changeover on the cooling/heating side

    • this end unit

    • this production unit

  • No pump in recirculation circuit

  • No pump on primary side of mixing circuit

  • No pump on secondary side of the second heat exchanger

  • No pumps over this control valve

  • Pump missing on

    • Primary/secondary side of heat exchanger

    • Primary/secondary side of heat pump booster

    • Primary/secondary side of the hydraulic separator

Error ESYS00002: Pump in variable part of mixing circuit
ESYS00002

The error message

This error allows you to keep calculating but is an hydraulic error.

image-20221205-182812.png

Meaning:

There are 2 pumps which are placed in ‘series’. The error shows up because the second pump is placed after a mixing valve. When the valve is fully open the pumps are in series. Pumps in series cause control interference between the pump controls and the three-way valve controls, causing faster degradation of the three-way valve together with reduced control performance in operation.

How to solve:

You can solve this error in multiple ways:

  1. Remove the primary pump and rely on an active distribution circuit.

  2. Replace the active distribution circuit to a passive distribution circuit.

More information on active/passive distribution circuits can be found here: https://hysopt.atlassian.net/wiki/x/4YUhu

It is possible that during renovations, the erroneous situation is effectively in place. Therefore, you can continue working with the error to reproduce the behaviour in simulation. However, it is discouraged strongly to have pumps in series in your designs.

Error ESYS00003: This base circuit is reversed
ESYS00003

The error message

image-20221206-080614.png

Meaning

This error message shows during the system check if a base circuit (a block) is orientated incorrectly.

In the example above, you can see a pump in the supply line that is directed away from the end unit. Thi pump is thus installed in the wrong flow direction (note the arrows shown on the heat exchanger), hence the pump should be flipped (use shortcut 'F') and reconnect the pipes.

How to solve

Ensure that the highlighted base circuit is currently oriented. Use the shortcut ‘F' to flip the base circuit and the shortcut 'r’ to rotate the base circuit. The expected orientation is governed by following rules:

  • Pumps in the supply line should be directed towards end units.

  • Pumps in the return line should be directed towards production units.

  • On all other base circuits, the expected orientation is always displayed with an arrow.

²

Error ESYS00004: Pumps found in variable part of dividing circuit
ESYS00004

The error message

image-20221214-153010.png

Meaning

This error shows if there is a pump placed after a dividing circuit, as this arrangement does not allow for the needed mixing that the valve is supposed to do.

How to solve

The pump should be placed before the diving circuit.

Error ESYS00005: No pump to provide flow to the primary side of this hydralic separator
ESYS00005

The error message:

image-20221206-082127.png

Meaning

This error message shows that there is a pump missing between the boiler and hydraulic separator.

How to solve

Place a pump at the primary side of the hydraulic separator.

Error ESYS00006: Pump found after …
ESYS00006

The error message

image-20221214-115546.png

Meaning

This error points toward an hydraulic error where this is a pump placed after a control valve.

How to solve

It may be that this installation is correct, hence, an accurate check to verify should be done. Otherwise it may be one of 2 issues:

  1. The valve is placed incorrectly and should be (re)moved

  2. The pump is placed incorrectly should be (re)moved

 

This error can also appear on:

  • Pumps found after pressure independent control valve

  • Pumps found after flow regulator

  • Pumps after two way control valve

  • Pumps found after satellite unit

  • Pumps found after differential pressure regulator valve

Error ESYS00007: Both of parallel ports should have a pump installed
ESYS00007

The error message

image-20221214-144145.png

Meaning

This fault can occur while using Hybrid production Heating components, where a pump is only placed on (n)one of the ports.

How to solve

This fault needs to be fixed by adding a pump at either each branch or either having one pump after the parallel production BC.

This can also happen on switched production and switched consumers.

Error ESYS00008: These circuits are probably oriented incorrectly
ESYS00008

The error message

image-20240726-072434.png

Meaning

This fault occurs when the topology of the provided system is unclear, preventing Hysopt from performing a system check. In this case, Hysopt cannot differentiate between end units and production units due to ambiguous topology. If the direction of heat flow from production units to end units is unclear, an effective system check cannot be executed.

This error notifies the user that there may be a production unit placed at an end unit location, an end unit placed at a production unit location, or that a hybrid production block is missing when multiple production units are present. Hysopt needs to know the direction of heat flow based on the positions of end units and production units (e.g., to analyze the correct orientation of pumps). This faulty situation prevents Hysopt from performing the system check.

How to solve

Depending on the root cause, several solutions are added below:

Root cause 1: Multiple production units without using hybrid production blocks

When multiple production units are present, Hysopt expects the user to use a hybrid production block to indicate that the branch split occurs at the production unit side. Otherwise, Hysopt will interpret a branch split as going towards the end units. Additionally, hybrid production blocks are necessary in future calculation steps to specify the design heat flow in more detail. More information on how to use hybrid production blocks can be found in https://hysopt.atlassian.net/wiki/x/QYQhu.

image-20240726-075447.png
Root cause 2: Production unit placed at an end unit location

In rare cases, a production unit might be mistakenly placed at an end unit location. This can be resolved by changing the production unit to an end unit if it was a mistake, or by applying a hybrid production circuit as explained above.

image-20240726-075655.png
Root cause 3: end unit placed at a production unit location

Similarly, placing an end unit at a production unit location can cause ambiguity during system analysis. To resolve this, replace the incorrect end unit with a production unit from the library, or add another production unit to the system.

image-20240726-075638.png


Error ESYS00009: PICV missing for balancing
ESYS00009

The error message

image-20250320-125206.png
image-20250320-133244.png

Meaning

This error message shows that a PICV is missing between the pump and the change-over end unit or between multiple passive mixing circuits for change-over. The warnings are only shown when multiple change-over end units or passive mixing circuits are connected with each other.

How to solve

Place a PICV at the change-over end unit for proper hydraulic balancing.

Error ESYS00010: Either the changeover port or the heating ánd cooling port must have a pump installed
ESYS00010

The error message

image-20250320-125458.png

Meaning

This error message shows that a pump is missing between the production and the change-over end unit when using multiple mergers and a splitter circuit.

How to solve

Place a pump on the cooling system.

Error ESYS00011: Pumps found upstream/downstream of this pump
ESYS00011

The error message:

image-20260306-084851.png

This error allows you to keep calculating but is an hydraulic error.

Meaning:

There are 2 pumps which are placed in ‘series’. If the error shows upstream, you will find a pump closer to the energy centre. If the notification says downstream, you can find the pump closer to the end units.

How to solve this error:

It may be that this installation is correct, hence, an accurate check to verify should be done. Otherwise, remove one of the pumps to fix this error.

Warnings (WSYS)

Warning WSYS01001: Pumps found upstream/downstream of this pump
WSYS01001

The error message:

image-20221205-181444.png

This error allows you to keep calculating but is a hydraulic error.

Meaning:

There are 2 pumps which are placed in ‘series’. If the error shows upstream, you will find a pump closer to the energy centre. If the notification says downstream, you can find the pump closer to the end units.

How to solve this error:

It may be that this installation is correct, hence, an accurate check to verify should be done. Otherwise, remove one of the pumps to fix this error.

Warning WSYS01002: Serial pumps on the primary side of this hydraulic separator
WSYS01002

The warning message

image-20221214-145849.png

Meaning

As shown in the example above, there are two pumps placed in series at the primary side of the hydraulic separator. This is hence a serial pump arrangement. One of them is advised to be removed to avoid control interference between the pumps. On top of that, placing one pump will be more cost-effective and provide better operational performance.

This is possible on both sides of the hydraulic separator, but also in 3-pipe systems.

How to solve

In order to resolve this warning message, remove on of the pumps that are found in a serial configuration.




Compute Design Flow (Pro)

Errors (EPRO)

Error EPRO03001: Supply temperature mismatch
EPRO03001

The error message

In following example model, the two radiators are designed with a different temperature regime :

  • radiator 1 : 70°C/50°C

  • radiator 2 : 60°C/40°C

On the dividing node, we see the “Supply temperature mismatch“ error.

image-20221018-143113.png

Meaning

It is physically impossible to have multiple design supply temperatures on the dividing node. Fluid that enters the node, will have the same temperature in both outgoing branches.

This error can occure during the following calculation steps:

How to solve

This error needs to be fixed on the secondary side (downstream) of the dividing node.

Check the supply temperatures that you entered downstream of the node, and make sure that all supply temperatures become equal.

Possible solutions :

Error EPRO03002: Could not resolve power propagation for this node
EPRO03002

The error message

image-20221206-075351.png

Meaning

This error is not a local error in itself, but shows that there is an error downstream in the system that blcoks the design flow calculation through the system. The error can have multiple root causes of which the most common ones are listed in the paragraph below.

How to solve

Root cause 1: Forgot placing a hybrid production base circuit.

Hybrid production blocks are Base Circuits (BCs) that assist the “Compute Design Flow” calculation step. In “Compute design flow”, the design heat flow is propagated from end unit(s) to production unit(s). When having multiple production units, Hysopt cannot decide independently how the design heat flow coming from end units needs to be distributed among the different production units. For this purpose, hybrid production blocks are introduced. This principle is illustrated in the figure below:

image-20240423-124130.png

Whenever the user starts creating branches at the production unit side, Hysopt requires the usage of an hybrid production block. The most downstream error visible in the scenario is the piping node at which the branches split towars the production units. The issue can be resolved by placing the corresponding hybrid production configuration from the Hybrid production library wherever the new production unit branch is created.

image-20240725-142634.png

Please note that a hybrid production circuit is necessary for each branch split that is in the opposite direction to the heat flow. For more information about hybrid production blocks and how to use them effectively, consult https://hysopt.atlassian.net/wiki/x/QYQhu .

Root cause 2: Inconsinstent data input at the most-downstream faulty base circuit

When investigating the base circuit most downstream that is highlighted in red, the local error message at that base circuit will typically give more information on the root cause of the issue. In the example below, the requested heat exchanger properties regarding primary supply temperature are impossible to achieve with the secondary supply temperature from the system. The issue needs to be resolved by updating the temperature inputs at the heat exchanger block to a realistic situation as explained in error message EOPT0008. For more information about a heat exchanger itself, consult https://hysopt.atlassian.net/wiki/x/JgAZxw .

image-20221206-075351.png
image-20240725-143716.png

Root cause 3: Base circuit oriented incorrectly

Whenever a base circuit is oriented incorrectly, the power propagation might be disturbed. The error is closely related to Error/warning overview | ESYS0003. Whenever the situation occurs, the most downstream base circuit that is highlighted in red will be oriented incorrectly.

In most cases, the incorrect orientation is caused by pumps. The pump icon is an arrow in the direction of the water flow. This gives the following two rules:

  • For pumps in the supply line, the pump must be oriented from unit towards end unit

  • For pumps in the return pipe, the pump must be oriented from end unit towards production unit

By reversing the BC including the pump, the error can be resolved.

image-20240726-152917.png


Error EPRO03003: UA Value and primary return/air volume flow are both locked
EPRO03003

The error message

image-20221220-134117.png

Here you see a heat exchanger which gets this fault (note that in the case of air volume flow you are using a dry cooler, and the same comments for return temperature apply).

This is due to the definition of the heat exchanger. There are 2 options:

  1. a UA value is applied, which Hysopt uses to calculate the primary return temperature based on the secondary design flows/temperatures, the UA value and the primary supply temperature.

  2. primary flow and return temperature are filled in, which Hysopt used to calculate the UA value based on primary and secondary flow. temperature.

As you can see, Hysopt will do a calculation based upon the filled in parameters. If both return temperature and UA-value are filled in and locked, Hysopt is not able to make the calculation. Leave one of them to be calculated by Hysopt to correct this error message.


Error EPRO03004: Illegal combined power parameter state
EPRO03004

The error message

image-20221228-151436.png

This fault can occur when you are using dry coolers. One of their parameters is the ‘zero load propagation’. As the name states, choosing “yes” means that the dry cooler is not part of the full load design conditions in summer when the building requires cooling. This means that from the moment pipes cross the path from the dry cooler to the production units, this thermal power won’t be accounted for. If however, the user wants to summarise the thermal power of the dry cooler and the other end units, “no” should be selected.


The error can occur if 2 or more zero load propagation combines together, Hysopt doesn’t understand the sum of multiple zero’s. This is something being worked on, but if you meet this fault, has not been fixed yet.

Workaround:

Using the Design conditions override for cooling, ou can use the power propagation and set it to zero. This allows you to calculate the fault.

image-20221228-152633.png


Error EPRO03005: Invalid application(s) detected on this pipe, only heating/cooling is allowed
EPRO03005

The error message

image-20250715-142823.png

Root cause

This fault occurs when the temperature of the Base Circuit downstream from the error expects an application (e.g. heating) different than the rest of the system (e.g. cooling). In the example below, you can see a cooling system design. However, the Supply Temperature parameter of the bypass component is 75°C which is a typical heating temperature.

The error notifies the user on the mistaken supply temperature input. The error occurs when using Base Circuits (BC) from the Header Configuration sublibrary, in particular all bypass components and open end components.

image-20250715-143024.png

Solution

Adjust the Supply Temperature parameter on the bypass or open end Base Circuit at the end of the line to the correct design temperature. In the example above, changing the wrong supply temperature of 75°C to 10°C (in accordance with the rest of the cooling design) resolves the issue.

image-20250715-143443.png



Error EPRO03006: Both supply and return temperatures are overridden
EPRO03006

The error message

image-20221229-070952.png

This error can show up on a low-loss header when both the supply and return temperatures are filled in. This does not allow for the exact mixing possibility between the primary and secondary sides.

image-20221229-071134.png

Verify with the project what needs to be filled in. If no mixing is needed on the low-loss header, simply leave blank.


Warnings (WPRO)

Currently empty


Pipe selection (PIP)

Errors (EPIP)

Error EPIP06001: Some flow rates are out of commercial range
EPIP06001

The error message

image-20240926-130350.png
image-20240926-130602.png

Meaning

The error occurs when there are high design volume flowrates where no default pipes diameters (depending on pipe type) are suited for.

How to resolve

There are multiple options to resolve this error.

  1. Lock the pipe diameter at the correct pipe diameter of the highest possible. ensure that pressure losses over the pipes are limited.

  2. Expand the range of the pipe diameter by uploading custom pipe type and pressure profiles in the model settings.

image-20240926-132732.png

More information about the pipe types and pressure profile can be found by using the following link:

Select pipes | Pipe settings



Warnings (WPIP)

Currently empty


Optimise system components (OPT)

Errors (EOPT)

EOPT09001: KV(S) value set to zero
EOPT09001

The error message

This error may occur when executing the ‘optimise system components’-calculation step.

image-20221124-134012.png
image-20241203-091159.png

Meaning

The KVS value locked by the user has been set to zero. This would mean that the pressure drop over the valve would be infinite, which the solver can’t use to calculate.

image-20241203-091649.png
image-20241203-091436.png

How to solve

Set either the KV(S)-value to the correct value, or allow Hysopt to calculate the correct value. For the KV-value calculations use the build-in KV-value calculator tool.


image-20241203-092748.png


If you require a valve to be permanently closed, use the base circuit “pipe end” which you can find under header configuration.

EOPT09002: Fixed pressure drop lower than minimal required pressure drop
EOPT09002

The error message

This message can show up when you are using balance valves.

image-20221125-133515.png

Meaning

A typical balance valve has a minimum required pressure drop of 3 kPa to ensure that pressure measurements is valid (See parameter Valve minimal pressure drop). This error is thrown whenever the calculated pressure drop over the valve, based on the design flow rate and Kv value , is lower than this Valve minimal pressure drop. This situation will only occur when you have submitted a Valve Kv Value and had the parameter locked.

image-20240726-081739.png


How to solve

To start with, verify if the submitted Kv value is correct. If the balance valve is effectively placed in-real life, you can lower the Valve minimal pressure drop to 0 kPa to resolve the error. However, bear in mind that a pressure measurement at this valve then might be inaccurate in practice. To resolve the error fundamentally and ensure the Valve minimal pressure drop over the balance valve is met, simply unlock the Valve Kv Value and run through the design calculation steps to calculate a new, optimal Kv setting for this valve. Note that this change might impact other system parameters, like the pump head. Hysopt will ensure that this valve has a pressure drop of at least 3 kPa.

A second situation in which you might encounter this error is when you want to remove a balance valve from a Base Circuit (which cannot be done visually). You have then chosen to put the Valve Kv Value to the maximal value of 1000000000 to have no impact of the component in any calculation. When doing this, the pressure drop will be nearly zero so the error is also triggered. If in this situation, you can mute the error by updating the Valve minimal pressure drop to 0 Pa.

EOPT09003 : Pump head …m/…kPa not enough for loop pressure loss …kPa
EOPT09003

The error message

This error can show up when having locked a pump head (or pump curve) during the ‘optimise system components’-calculation step.

image-20221125-101715.png

Meaning

The set pump head is not enough to overcome the loop pressure at the design flow rate. Therefore, the system will not be able to achieve the design flow rate at full load condition, indicated by having an unbalanced underflow after optimise system components.

How to solve

Check the different possibilities for this error:

  1. Is the pump head/pump curve locked correctly?

    1. If not, change these to the correct value

    2. Or let Hysopt calculate the needed pump head by unlocking the value

  2. Are all the pressure drops in the system filled in correctly? You can easily check this by clicking on the pump and using ‘Ctrl+e’. This will show the path of most resistance. Follow this path and use dynamic label to analyse the pressure drops over different components. Compare these to the actual pressure drop and correct the wrong ones and recalculate.


EOPT09004: Total pressure drop larger than 20 bar
EOPT099004

The error message

image-20221125-123920.png

This fault occurs during the ‘optimise system components’- calculation steps.

Meaning

This fault occurs if the calculated pressure drop exceeds 20 bar (2000 kPa), as this is set as a maximum in the software.

How to solve

Check if all the pressure drops in the system are filled in correctly. It is advised to download the pump selection report to quickly get a concise overview of the pressure drops over the faulty pump.

You can also easily check the loop pressure drops by clicking on the pump and using ‘Ctrl+e’. This will show the path of most resistance. Follow this path and use dynamic label to analyse the pressure drops over different components. Compare these to the actual pressure drop and correct the wrong ones and recalculate.

It may also be that there are pipes locked on a size which is significantly to small, causing their pressure drop to be to large.

EOPT09005: No pumps provide pressure for this control valve
EOPT09005

The error message

image-20221205-183344.png

you will find that this is not the calculation breaking error, but a note to check this carefully.

Meaning

There is no pump placed that provides pressure to the control valve.

How to solve

This may be accurate, so verify with the actual installation. Place the pump in the correct position.

EOPT09006 Both pump head and pump curve are locked:
EOPT09006

The error message

image-20221219-124630.png

Meaning

The parameterisation of the pumps can be done through 2 methods.

  • By filling in the design pump head (which Hysopt will use to calculate a pump curve)

  • By filling in the pump curve (which Hysopt will use to calculate the pump head).

Filling in both pump head/pump curve does not allow Hysopt to perform this calculation, therefore one of the 2 should be unlocked.


EOPT09007: Design volume flow rate out of range of pump curve
EOPT09007

The error message

image-20221219-130538.png

Meaning

This error message shows if the calculated design flow (defined by the end units) does not fit into the defined pump curve.

In the below fictional example, the maximum volume flow are is 0.07 m³/hr. If the calculated design flow is larger than this value, this error pops up.

image-20221219-131043.png

How to solve

It could be that the presented situation is actually true. However, it is advised to perform a check on both the calculated volume flow rate as well as the filled-in pump curve. Search for either a calculated volume flow rate that is too high or a wrongly configured pump curve.

A common mistake is submitting a pump curve in in m³/h while needing l/s for example.

EOPT09008: Override supply temperature and secondary supply temperature are too close together
EOPT09008

The error message

image-20221219-132906.png

Meaning

This error occurs on the parameterisation of the heat exchanger. In this example, the design temperature of the end unit is set to 70/50°C, and the primary temperatures of the heat exchanger are set to 70/50°C. Due to the efficiency of the heat exchanger, it is impossible to have equal primary and secondary supply temperatures (this also counts for the return temperatures).

How to solve

The primary temperature needs to be higher than secondary, with a certain ΔT. If the ΔT is sufficient, Hysopt will now be able to calculate a realistic UA-value.

Another solution is to use the relative option that will allow you to define directly the ΔT between the secondary supply temperature and the primary supply temperature.

image-20240723-081205.png


EOPT09009: No suitable KVS-value found
EOPT09009

The error message

image-20221219-134844.png

Meaning

This error occurs when Hysopt is unable to select a 2 or 3-way valve, because the calculated volume flow/pressure drop is out of range of a suitable selection. In the example above, you can see that the filled in capacity is 1W at 70/50°C, which calculates a nearly zero m³/hr flow. This was meant to be 1kW but is filled in incorrectly. Hysopt is unable to calculate a valve and hence sends this error message.



EOPT09010: No suitable valve position can achieve the desired mixing ratio
EOPT09010

The error message

image-20221219-135321.png

Meaning

This error can occur when looking at mixing circuits, and is best understood through this simple example.

image-20240723-082606.png

In this simple system there is an end unit which requires 1 kW at 70/50°C, fed through an active mixer and a boiler. In this case, there is no need for mixing in the design condition and Hysopt will optimise the 3-way valve to a KVs value that guarantees sufficient valve authority. The full load valve position equals 100%, meaning that the valve will be fully open in the design condition.

If however, the “primary supply temperature override” is filled in, (which is needed to define mixing in the design condition when another parallel branch expects a higher design supply temperature), Hysopt can calculate the needed mixing ratio like shown below. You see that the full load valve position is now decreased to 92.58% instead of 100%. This means that in design conditions, the mixing valve will be open for only 92.58% to ensure the mixing from 80°C to 70°C.


image-20240723-082726.png


Now, if you fill in the “primary supply temperature override” with a value equal to the propagated value (in this example 70°C). Hysopt expects to perform a calculation to design this full load valve position, but cannot as getting 70°C while mixing a supply of 70°C and a certain amount of lower return is just impossible. This will cause the error to pop up that there is no valve position for the desired mixing ratio.


image-20240723-082900.png


How to solve

The solution to this error is rather simple. If no mixing in the design condition is required, leave the primary supply temperature override empty as shown in the figure below.


image-20240723-081939.png


EOPT09011: Short circuit on premix bypass
EOPT09011

Error message

image-20221219-141107.png
image-20250919-081949.png

Meaning

This error can occur when using the “Pre-mix” base circuit or the mixing circuit with premix base circuit.

In case of the premix base circuit: If a pump is placed behind (~downstream from) the premix, the bypass is shortcutted as the ideal working on the system cannot be achieved.

For the mixing circuit with premix, the error occurs when a pump is placed wrongly at the primary side of the base circuit. The mixing circuit with premix is an active distribution circuit and does not allow a pump at the primary side.

How to solve

Both the position of the pump and premix bypass in the system’s topology should be verified and altered if needed.

For the mixing circuit with premix, update the system so that pumps in series are avoided.

EOPT09012: Control valve heas pump downstream
EOPT09012

The error message

image-20221219-142417.png

Meaning

This error shows if pumps are placed behind 2-way valves, PICVs, DPCV etc.

How to solve

The hydronic configuration is mall-designed and should be resolved. More information can be found by performing the system check to find Pumps found after ...https://hysopt.atlassian.net/wiki/spaces/HRM/pages/edit-v2/3227942968#Error-ESYS0006%3A-Pump-found-after-%E2%80%A6


EOPT09013: No pumps expected
EOPT09013

The error message

image-20230522-073548.png

Meaning

The error occurs when using the serial consumer block and having the pump on one of the 2 end user sides instead of on the production side. The Hysopt software expects the pumps to be part of the circuit at the incoming arrow, which is hydraulically speaking not different than the initial situation with the pump at one of the end user sides.

How to resolve

To resolve the error, put the pumps on the incoming circuit as depicted below:

image-20230522-073511.png


EOPT09014: Branch without a pump on short-circuited node
EOPT09014

The error message

image-20241203-094206.png

Meaning

The error occurs when a pump is bypassed (e.g. Header bypass) and a branch connected to the bypassed circuit doesn’t have a pump. The water follows the path of the least resistance, therefore only circulating over the bypass and the boiler. The water will not flow to the Branch, because the pressure drop over the control valve and balancing valve is higher than the pipe route from boiler to bypass.

How to resolve

To solve the error, place a pump on the branch without a pump. It is also possible to change the header bypass to one with a balancing valve or PICV, this will cause the pressure drop across the bypass to increase significantly. This will allow the water to flow to the branch. However, it is important to take into account the minimum flow rate of the boiler and pump.


EOPT09015: No pressure available over PICV
EOPT09015

The error message


image-20240926-112649.png

Meaning

The error occurs when there is no pump providing pressure to the PICV.

How to resolve

To resolve the error, place a pump before the PICV, this is demonstrated on the figure below:


image-20240926-113220.png
EOPT09016: This pump is obsolete. pumps upstream provide enough head for entire circuit
EOPT09016

The error message

image-20240926-114403.png

Meaning

The error occurs when there are multiple pumps connected in series and the pump upstream has a pump head that is enough for the entire circuit.

How to resolve

To resolve the error, remove the pump downstream or fill in and lock the pump head of this pump. This is demonstrated on the figure below:

image-20240926-114924.png


EOPT09017: Zero design flow over PICV
EOPT09017

The error message

image-20241009-110547.png
image-20241009-110626.png

Meaning

The error occurs when there is no design flowrate propagated to the PICV.

How to resolve

To resolve the error, fill in a value for the design overflow rate that is higher than 0.

EOPT09018: Cannot calculate this pump, no pump gain guarantees desired authority for all valves.
EOPT09018

The error message

image-20241203-125715.png

Meaning

The error occurs when the software cannot calculate a KVS-value of the control valves to obtain a certain minimal authority for all control valves. The KVS-value of the control valves will be put on 630 and the actual authority will be infinite.

image-20241203-125800.png

How to resolve

To resolve the error, fill in and lock the KVS’s value or lower the minimal authority of control valves to make the calculation possible. An other option is to change the 2/3-port control valves to a pressure independent control valve (PICV), this error will not occur with this valve.


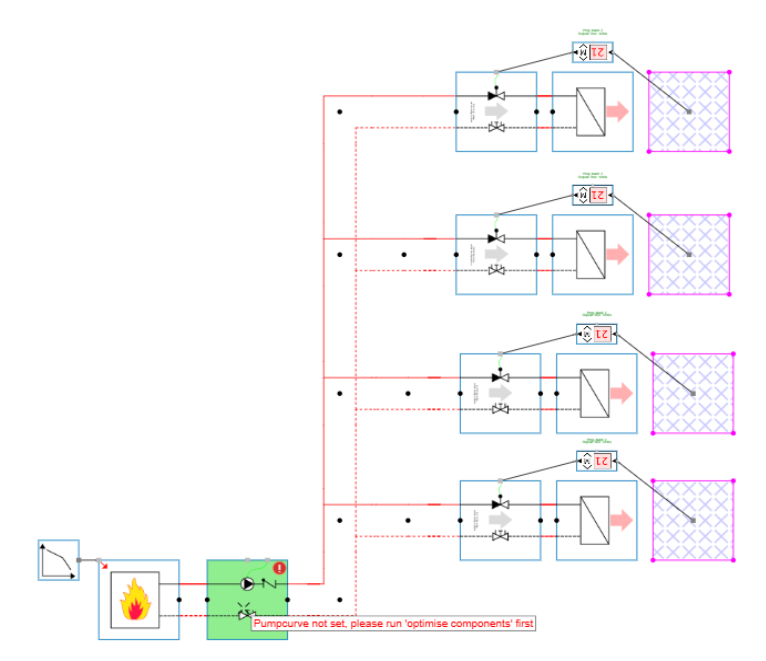
EOPT09019: Pumpcurve not set, please run 'optimise components' first
EOPT09019

The error message

image-20250318-122528.png

Meaning

The errror can occur in multiple scenarios.

The most common scenario is that you would like to simulate a model, but forgot to run the optimise system components image-20250318-122719.png calculation step. In optimise system components, the system component’s are selected on the background. If skipped, the simulation does not have any particular pump selected. In order to resolve, just run optimise system components and retry the simulation.

If the abovementioned solution does not work, you typically encounter the error whilst running optimise system components. In this scenario, the software cannot calculate an accurate pump head that can satisfy all requirements of the system. These situations are rare, but can occur when working with small powers or when having large volume flow differences between parallel branches. In fact, this erroneous situation is identical to EOPT09018 with the only difference that your pump curve has not been initalised yet.

How to resolve

To resolve the error, we advise you to re-run optimise system components first

If that does not work, we advise you to contact Hysopt support at support@hysopt.com by mentioning that you encounter valve authority calculation problems.

Warnings (WOPT)

WOPT10001: Authority lower than minimal required authority
WOPT10001

The warning message

image-20221125-125710.png

you will find that this is not the calculation breaking error, but a note to highlight a potential issue.

Meaning

During the ‘optimise system components’-calculation step, Hysopt calculates the authority of each control valve in the system. If this authority is smaller than the set minimal authority (standard at 0.3), the valve is oversized for the system, meaning it will be working outside of a good control range.

A low authority means that opening/closing of the control valve will only affect the volume flow rate for a limited amount, causing the valve to control in an agressive way (open/closing completely) with bad control behaviour as a consequence. Especially for systems requiring accurate temperature control (e.g. reheating battery temperature control), a sufficiently high valve authority is crucial for a well-designed system.

image-20221125-132102.png

How to solve

It may be that the actual size of the valve is correct in e.g. a renovation project. Consider unlocking the valve and let Hysopt re-calculate to a valve that meets authority requirements. Next, consider adapting the valve in the actual system.

If the actual valve size is actually wrongly filled in, fill in the right KVS-value (or allow Hysopt to calculate the size through unlocking the value).

In other scenarios, there might be a wrong pressure drop somewhere else in the system. A large pressure drop at any branch in the system might induce a high pump head, causing all control valves to be selected relatively small to meet the minimal valve authority. It is thus advised to check the calculated pressure drops all over the system, in particular on the path of highest resistance. You can display the path of highest resistance by selecting the Base Circuit comprising the pump and using ‘ctrl+e'. You can also consult the pump selection report as a concise overview of pressure drops over the system.


WOPT10002: Balance valve should be a pump
WOPT10002

The warning message



image-20240926-150225.png


You will find that this is not the calculation breaking error, but a note to highlight a potential issue.

Meaning

The warning message occurs when the available pressure to the branch is not sufficient. Instead of having an element that throttles excessive pressure, we would expect a pump that provides additional pressure.

This warning might cause volume flow rates to deviate from the design conditions, indicating that the system will not behave as expected in full load condition.

How to solve

To solve this warning message, lock the KV value of the balancing valve or increase the pump head of pump providing pressure to this branch.

If you encounter this warning while using a header-bypass, please contact hysopt support at support@hysopt.com.


WOPT10003: Pressure at variable part of circuit is negative or lower than 3 kPa
WOPT10003

The error message


image-20250117-085124.png

Meaning

The error occurs when the software wants to execute a valve authority calculation specifically on 3-port valves. Applicable on:

  1. Active mixing

  2. Mixing circuit with premix

  3. Dividing circuit

  4. Mixing circuit with primary bypass

  5. Mixing injection with primary dividing

Within this calculation, the pressure drop over the variable part of the circuit is considered. To complete the calculation correctly, a minimal pressure drop of 3 kPa must be used. If the pressure drop is negative or lower than 3 kPa, this warning will be shown. If so, the balance valve over the bypass will be unnecessary.

How to resolve

To resolve the error you manually increase the pressure drop in the variable part, which is only possible on the first 3 circuits (=active mixing, mixing circuit with premix and dividing circuit) or you ignore this warning

On the other two (=mixing circuit with primary bypass and mixing injection with primary dividing, this will not be possible and you can only ignore this warning.

WOPT10004: Locked primary pressure is lower than the prescribed primary pressure
WOPT10004

The error message

image-20250213-104556.png

Meaning

This warning message occurs rarely when using a Differential Pressure Control Valve (DPCV) and having a locked certain parameters, causing non-consistent design conditions.

The warning occurs when the design primary pressure is locked while the software expects a higher value for this design primary pressure. From the secondary side pressure (pressure target), the Kvs value of the DPCV and the design flow rate, we can calculate the minimal expected primary design pressure, named the prescribed primary pressure. If the locked design primary pressure is lower than this prescribed primary pressure, this warning informs the user of an inconsistency in the design process.

Hysopt will use the locked primary pressure at the primary side, thus for sizing pump heads etc. This warning informs the user that there is a discrepancy in the primary pressure and the minimally expected primary pressure.

How to resolve

To resolve the warning, ensure that the following condition is satisfied:

  • Δptarget : Secondary differential pressure target [Pa]

  • Vdesign : The design volume flow rate at the DPCVs location [m³/h]

  • Kvs : The Kvs valve of the fully-open DPCV component [m³/h]

  • Δpprimary,prescribed : The minimal expected differential pressure at the primary side of the DPCV [Pa]

  • Δpprimary,design : The primary design pressure, which is locked when this warning occurs [Pa]

To achieve this condition, following actions can be taken:

  1. Unlock the primary design pressure so that Hysopt can calculate a value that maintains a consistent design.

  2. Increase the Kvs value of the DPCV. This solution will only work if the primary design pressure is greater than the secondary pressure target.

If you are not able to resolve the warning by unlocking any parameter value, please contact hysopt support at support@hysopt.com.

WOPT10005: Unusually high pressure loss per length detected on this pipe segment.
WOPT10005

The error message

image-20250310-213200.png

Meaning

This warning message occurs whenever a pipe segment has a higher pressure loss per length than typically expected from guidelines like CIBSE, ISSO, WTCB, or ASHRAE. In other words, the diameter of the pipe is smaller than one would expect using industry standards for pipe sizing. The warning notifies you about this discrepancy between what is expected as a logical value, compared to what is witnessed by the software in the optimise system component step. The issue can have multiple origins and can typically be easily resolved.

The most plausible scenario is that you have forgotten to run Pipe selection image-20250310-213733.png before Optimise system components image-20250310-213821.png after having conducted a change to the design of the system. By increasing the design heat flow or lowering the design ΔT of the system, the design volume flow rate will increase. This increased design flow rate may ask for a bigger pipe size in some scenarios. If the pipe size is not adjusted to the new design situation using the Pipe selection calculation step, optimise system components will use the inaccurate pipe size in the pressure calculation, leading to excessive pressure over the pipe and higher pump heads.

A second scenario is that you have locked the diameter of the pipe, so that the Pipe selection calculation step cannot adjust the pipe size properly to your design flow rate. Having a pipe locked can be accidental or on purpose (e.g. in a renovation project). In any case, the warning will notify you of the situation so that you can resolve the issue accordingly.

The issue can also occur in more rare scenarios when you are using custom pipe types and/or custom pressure profiles. In this scenario, the Pipe selection calculation will use your input information that potentially contains typos or other forms of inconsistencies, leading to a smaller-than-expected pipe size. In theory, It is also possible that your particular pipe sizing method allows such high pressure loss per length for specific scenarios. If so, we advise you to contact hysopt support at support@hysopt.com.

How to resolve

Depending on the root cause of the issue for your situation (see paragraph above), you can take one or more of the following actions:

  • Unlock the pipe diameter if it was accidentally locked. Run Pipe selection & Optimise system components again. This is the most common reason scenario.

  • Run the Pipe selection calculation step to ensure that the pipe sizes are up-to-date with the latest design of your system. After this step, re-run the Optimise system components step.

If you have locked the pipe diameter on purpose:

  • Evaluate if the high pressure loss per length is acceptable for your situation, for example when having a short pipe segment still resulting in an acceptable pressure loss. You can then ignore the warning.

  • If not acceptable, you can reconsider increasing the size of the pipe or adjusting the topology of the system to reduce the design volume flow rate through this pipe segment.

If you are using custom pipe types and/or custom pressure profiles:

  • Verify that you have no typos and/or inconsistencies in your uploaded pipe type and/or custom pressure profile. Look specifically at typos in the inner diameters (pipe types), or maximal velocity/maximal pressure (pressure profile).

If you are not able to resolve the warning, please contact hysopt support at support@hysopt.com.


Simulation (SIM)

Errors (ESIM)

Error ESIM12001: Failed to parse code/expressions
ESIM12001

The error message

image-20221219-120259.png

Meaning

This error message can occur when your model is operated through expressions or code. (using the programmable controller or function base circuits). The function expressions and the code require a certain language/expression. If this does not match the language used by the software, or if there are programming mistakes, Hysopt cannot read the language and will note this fault.

How to solve

It is advised to consult the page of the programmeable controler: https://hysopt.atlassian.net/wiki/x/ZIBVwQ to ensure the syntax of the code is correct. The most common errors are listed below:

  • No semicolon ( ; ) at the end of a line

  • Incorrect usage of ‘==’ (for if-statement) and '='

  • Not closing { } or ( ) brackets properly

  • Instead of having semicolon at the front of the comment, accidentally put // ;

  • Usage of an underscore ( _ ) is not allowed in parameter naming

  • Spelling mistake in parameter names. Code is case-sensitive

You can use programs like Notepad++ to help you, as well as ask help from modern AI assistances.

Error ESIM12002: The volume of the zone is zero
ESIM12002

The error message

image-20221219-123030.png

Meaning

This error indicates that the volume of one of the zones is set to zero, which is invalid. Adding any heat flow to an empty volume willl cause the temperature to go infinite. This is physically not possible.

The error might also occur to zones that are not assigned to any base circuit, meaning that the default volume-to-power ratio will yield an empty zone.


image-20240723-074615.png


How to solve

Three options exist to resolve the error:

  1. Fill in the volume of the room manually as an actual volume by using the image-20240723-074822.png

  2. When using the volume-to-power ratio, ensure that at least one end unit is assigned to the zone.

  3. Search for any unassigned zones that are accidentally hidden behind other base circuits. Check by using “select all”(alt+click) on a zone and see if the amount of zones displayed is correct.


    image-20241212-121709.png



Error ESIM12003: Invalid column name in CSV file
ESIM12003

Error message

image-20240719-103019.png

Meaning

This error arises when a column name matches the name of an in-house Hysopt parameter, which must always be unique.

How to solve

To fix this issue, change the column name to a more specific term to maintain the uniqueness of the parameter name at all times.



Error ESIM12004: Hydraulic system solver failed Time in simulation …h
ESIM12004

The error message

image-20240726-155713.png

Meaning

The error typically signifies that several parameters in the model are not yet processed by “Optimise system components”, causing recent model updates to create unrealistic situations in simulation.

How to solve

Run optimise system components first and retry the simulation.

Error ESIM12005: Incorrect number of rows in file
ESIM12005

Error message

image-20241009-083449.png

Meaning

This error arises when a value is occurring more than once in the time column of the CSV file.

How to solve

To fix this issue, remove all duplicate values in the time column of the CVS-file.

Error ESIM12006: CSV data is empty
ESIM12006

Error message

image-20241009-085549.png

Meaning

This error arises when the user tries to upload an empty CSV file or a CSV file with only the column name filled in.

How to solve

To fix this issue, check if the uploaded CSV file is not empty.

Error ESIM12007: Value column missing
ESIM12007

Error message

image-20241009-091547.png
image-20241009-092140.png

Meaning

This error arises when the user tries to upload a CSV file where the last column(s) is (are) not in range of the available value nodes on the data file block. This is demonstrated in the figure below for a data file block with only 4 value nodes.

image-20241009-092505.png

How to solve

To fix this issue, move the last column so that the last value is in range of the available value nodes. Make sure to check if there are any columns hidden in the excel file before moving the last column.

Error ESIM12008: Output-output control connection detected
ESIM12008

Error message


outputoutput-20241017-131238.jpg
image-20241017-131808.png

Meaning

This error arises when the user tries to simulate a Hysopt model, where two output values are connected with each other. In this case the riser temperature sensor (output) is connected to the calculated valve position of the PI controller (output).

The error message can also occur when the user has connected two output lines to each other in one control node. This particular situation is shown below where the outputs of the hysteresis Base Circuits (BCs) come wrongly together in one control node. In this situation, the error message will occur at a Base Circuit (BC) of which the output control line is wrongly connected, in this example the right-side hysteresis BC.

image-20250617-094410.png

How to solve

To fix this issue, change the connection of the nodes, so that there are no two (or more) outputs connected to each other.

image-20241017-132350.png

If you had wrongly merged two output control lines in one single control node, you first need to remove this control node. Next, ensure that you connect each output separately to an input connector node of another Base Circuit. The solution is shown in the figure below. Note that it is allowed to merge output control lines on input connectors of Base Circuits that expect multiple inputs (e.g. OR, AND, Multiplication, Addition, …).

image-20250617-094259.png


Error ESIM12009: Heat pump safety: Condenser temperature above 100°C
ESIM12009

The error message


image-20240726-153312.png

Meaning

The error indicates the temperature locally in the heat pump has risen above 100°C. This action triggers a reset, meaning that the heat pump is reset to the environment temperature. This represents the actual reset of a heat pump system whenever the local temperature exceeds a certain threshold.

The error highlights to the user that the heat pump might have unwanted dynamic behaviour during simulation. The error can have several causes, elaborated in the next paragraph.

How to solve

Root cause 1: No volume flow over condenser with heat pump activated

Whenever the heat pump system delivers heat to the system, volume flow rate over the condenser is expected to avoid local thermal overheating. In order to avoid this behaviour, ensure that pumps or on/off valves are always activated before start-up of the system and only deactivated after ramp-down of the heat pump. You can use the proposed topology below to resolve or use Hysopt’s heat pump templates that have lead and/or lag time for pump operation included:

image-20240726-154032.png

Root cause 2: Insufficient condenser capacity

Verify if your condenser capacity is sufficiently large in relation to the design heat flow of the heat pump. If the thermal capacity of the heat pump is insufficient, the heat pump will overheat before the PI-controller can even correct the behaviour.

To adapt the thermal capacity of the condenser, you first need to active advanced view. Next, you can choose to auto-scale this parameter if unknown at the current project stage, or fill in an appropriate value specific to your situation.

image-20240726-154514.png

Root cause 3: Strong start-up behavior of the PI controller

The PI controller settings for the heat pump might be too aggressive, causing overheating of the system over one simulation timestep. In order to smoothen the PI behaviour, you can:

  • Increase the proportional band and the integration time of the PI controller.

  • Alternative: Select a Start-up delay in the PI-controller base circuit.

Typical order of magnitudes for the temperature control of heat pumps in Hysopt are:

  • Proportional band: 4 -10

  • Repeat time: 600s - 1200s

Root cause 4: High return temperature in water/water heat pumps

In water/water heat pump systems, the return temperature at either sides of the system are advised to be monitored and controlled. Whenever the cold side e.g. is out of normal temperature range, this will influence the behaviour at the warm side and vice versa.

In order to resolve this situation, you should monitor and adjust the return temperature from your system as needed. Potentially, additionally heating/cooling systems are necessary to guarantee safe operation of the water/water heat pump without overheating the hot side of undercooling the cold side.


Error ESIM12010: Boiler safety: Boiler temperature exceeded 195°C
ESIM12010

The error message


image-20241203-134736.png

Meaning

The error indicates the temperature locally in the boiler has risen above 195°C. This action triggers a reset, meaning that the boiler is reset to the environment temperature. This represents the actual reset of a boiler system whenever the local temperature exceeds a certain threshold.

The error highlights to the user that the boiler might have unwanted dynamic behaviour during simulation. The error can have several causes, elaborated in the next paragraph.

How to solve

Root cause 1: No volume flow over boiler when activated

Whenever the boiler delivers heat to the system, volume flow rate over the condenser is expected to avoid local thermal overheating. In order to avoid this behaviour, ensure that pumps or on/off valves are always activated before start-up of the system and only deactivated after ramp-down of the boiler. You can use the proposed topology below to resolve or use Hysopt’s boiler templates that have lead and/or lag time for pump operation included:


image-20241203-135850.png

Root cause 2: Insufficient boiler capacitance

Verify if your boiler capacitance is sufficiently large in relation to the design heat flow of the heat pump. If the thermal capacity of the boiler is insufficient, the boiler will overheat before the PI-controller can even correct the behaviour.

To adapt the thermal capacity of the boiler, you first need to active advanced view. Next, you can choose to auto-scale this parameter if unknown at the current project stage, or fill in an appropriate value specific to your situation.

image-20241203-142242.png

Root cause 3: Strong start-up behavior of the PI controller

The PI controller settings for the boiler might be too aggressive, causing overheating of the system over one simulation timestep. In order to smoothen the PI behaviour, you can:

  • Increase the proportional band and the integration time of the PI controller.

  • Alternative: Select a Start-up delay in the PI-controller base circuit.

Typical order of magnitudes for the temperature control of boilers in Hysopt are:

  • Proportional band: 4 -10

  • Repeat time: 600s - 1200s

Error ESIM12011: Calculated temperatures out of valid range for this production unit. Consider disabling 'Limit secondary heat flow' ...
ESIM12011

The error message

image-20250729-083356.png
image-20250729-083628.png

Meaning

The error indicates a numerical simulation error when using one of the ideal temperature production units (Fuel boiler with setpoint, electric boiler with setpoint, chiller with setpoint, energy centre placeholder base circuit). The error occurs when the calculated temperature at the production unit exceeds 500°C or drops below -100 °C. As these temperatures disrupts physical equations in other part of the system and might lead to wrong simulation results, the simulation is halted for the user’s safety.

How to solve

Root cause 1: Limit secondary heat flow activated

Under Advanced parameters image-20250729-083845.png , ideal production units have a toggle named ‘limit secondary heat flow’ (see figure below). When activated, the maximal capacity of the unit will be taken into account in the simulation and thus potentially not reaching the input supply temperature setpoint. The toggle thus indicates that the ideal production unit will not work as an ideal Supply Temperature provider anymore.

image-20250728-105805.png

In unstable simulations, especially when working with constant flow systems around the boiler, the transient nature of the simulation might interfer illegally with the maximal capacity limitation of the production unit. In order to resolve, it is advised to deactivate the limit secondary heat flow toggle. To do so, first unhide the advanced parameters using the Advanced parameters image-20250729-083845.png toggle in the top ribbon.

If you prefer to have a production unit with the maximal capacity being taken into account during this particular simulation, we advise you to use one of the following dynamic production units and/or one of their snippets:

  • Controlled dynamic boiler (gas)

  • Heat Flow controlled boiler (gas)

  • Dynamic electric boiler (electricity)

Root cause 2: Typo in temperature setpoint or bad unit conversion

The error is thrown whenever the temperature in the system goes beyond 500°C or below -100°C. If you encounter the error, verify that the setpoint going inside the boiler is within these temperature limits.

When struggling with units to get the boiler to the correct setpoint temperature, please consult Unit conversions in Hysopt.


Error ESIM12012: Actual energy differs significantly from the setpoint energy.
ESIM12012

The error message

image-20260331-102535.png

Meaning

A validation error indicates that the simulation completed successfully, but the model behaviour significantly deviates from the intended energy delivery. This warning is triggered when the supplied heat flow is at least 10% below the desired heat flow over the simulation period

Validation errors are typically control-related. They indicate that, during simulation period, the system is unable to meet its setpoints. The validation message includes a deviation indication showing how much the delivered energy deviates from the imposed energy. An Error Detection plot is available on the affected base circuit. This plot visualises exactly when and for how long the deviation occurs, allowing you to distinguish temporary effects from recurring problems.

How to solve

Start by reviewing the control strategy of your Hysopt model. The most common causes of validation errors are listed below.

Activation mismatch

A very common cause is a mismatch between:

  • The activation of the load on the base circuit, and

  • The activation of the production centre supplying that load

In this situation, the base circuit requests energy while the production system is still deactivated, which inevitably triggers a validation error.

What to check:

  • Are production and load activation signals aligned in time?

  • Does the production centre start early enough to serve the load period?

Aligning these activation periods often resolves the error immediately.

Temperature mismatch

Validation errors are frequently caused by a mismatch between:

  • The supply temperature delivered by the production centre, and

  • The temperature level expected by the base circuit

If the supply temperature is too low for heating, or too high for cooling, the system may be unable to deliver the required heat flow.

What to check:

  • Are supply temperatures consistent with the design temperatures of the connected loads?

  • Are control setpoints defined at compatible temperature levels across the system?


If the control strategy is correct and the error persists, the issue is likely capacity- or distribution-related rather than purely control-related.

Insufficient production capacity

If the production centre is operating at or near its maximum capacity when the error occurs, this indicates that the system is undersized for the imposed demand.

What to check:

  • Has the production unit reached its peak capacity during the error period?

  • Does increasing production capacity remove the error?

In this case, the error highlights a genuine system design limitation.

Saturated distribution systems

If the production centre still has available capacity, but the required load is not delivered, the limitation is located in the distribution system.

Typical causes include:

  • Pipe diameters that are too small, resulting in excessive pressure losses

  • Pump sizing that is insufficient, limiting achievable flow rates or pressure head

  • Imbalanced distribution, where flow is preferentially diverted to other branches of the system

These effects prevent sufficient flow from reaching the affected base circuit, even though production capacity is available.

Warnings (WSIM)

Warning WSIM13001: Total losses through windows are larger than design heat load
WSIM13001

The warning message

image-20221219-121307.png

Meaning

This warning occurs when a simulation succeeds but the measured heat loss through the windows is larger than the designed heat load.

  • Heat loss through the windows is defined through the zone by filling in all the window parameters. The zone will calculate heat losses based on external temperatures, the temperature of the zone, heat gain etc. → finally calculates a heat loss

  • The design heat load is filled in through “Design load” on the zone, which designed the amount of heat being added to the zone.

If the losses are larger than the heat added to the zone, the temperature in the zone will continue going lower and lower. In most scenarios, this behaviour does not represent the actual situation. However, the situation can in principle occur, hence the note ‘possible’ design error.

How to solve

It could be that the losses are to high, or the building load is to low. It is best to check both parameters to see where possible mistakes could have taken place.

Warning WSIM13002: Control issues detected (first occurrence: xx).
WSIM13002

The warning message

image-20260331-071556.png
image-20260331-102701.png

Meaning

A short-term validation warning indicates that the simulation completed successfully, but the model behaviour temporarily deviates from the intended energy delivery or temperature control. This warning is triggered when one of the following conditions occurs:

  • The supplied heat flow is at least 5% below the desired heat flow for a period longer than 1.5 hours

  • For heating systems: the room temperature is at least 0.5 °C below the setpoint for more than 3 hours

  • For cooling systems: the room temperature is at least 0.5 °C above the setpoint for more than 3 hours

Short-term warnings are typically control-related. They indicate that, during certain time windows, the system is unable to meet its setpoints even though the simulation itself is numerically stable. The validation message includes a time indication showing when the deviation is first detected. This helps locate the issue within the simulation timeline. An Error Detection plot is available on the affected base circuit. This plot visualises exactly when and for how long the deviation occurs, allowing you to distinguish temporary effects from recurring problems.

How to solve

Start by reviewing the control strategy of your Hysopt model. The most common causes of short-term warnings are listed below.

Simulation start-up

If the warning is triggered only during the first hours of the simulation, it can often be ignored.

Hysopt simulations start from a cold steady-state. During start-up, systems need time to build up temperatures and flows, which can temporarily cause setpoints to be missed.

What to check:

  • Does the Error Detection plot show deviations only at the start of the simulation?

  • Does the system stabilise afterwards and consistently meet setpoints?

If yes, no corrective action is typically required.

Activation mismatch

A very common cause is a mismatch between:

  • The activation of the load on the base circuit, and

  • The activation of the production centre supplying that load

In this situation, the base circuit requests energy while the production system is still deactivated, which inevitably triggers a short-term warning.

What to check:

  • Are production and load activation signals aligned in time?

  • Does the production centre start early enough to serve the load period?

Aligning these activation periods often resolves the warning immediately.

Temperature mismatch

Short-term warnings are frequently caused by a mismatch between:

  • The supply temperature delivered by the production centre, and

  • The temperature level expected by the base circuit

If the supply temperature is too low for heating, or too high for cooling, the system may be unable to deliver the required heat flow or reach room temperature setpoints.

What to check:

  • Are supply temperatures consistent with the design temperatures of the connected loads?

  • Are control setpoints defined at compatible temperature levels across the system?


If the control strategy is correct and the warning persists, the issue is likely capacity- or distribution-related rather than purely control-related.

Insufficient production capacity

If the production centre is operating at or near its maximum capacity when the warning occurs, this indicates that the system is undersized for the imposed demand.

What to check:

  • Has the production unit reached its peak capacity during the warning period?

  • Does increasing production capacity remove the warning?

In this case, the warning highlights a genuine system design limitation.

Saturated distribution systems

If the production centre still has available capacity, but the required load is not delivered, the limitation is located in the distribution system.

Typical causes include:

  • Pipe diameters that are too small, resulting in excessive pressure losses

  • Pump sizing that is insufficient, limiting achievable flow rates or pressure head

  • Imbalanced distribution, where flow is preferentially diverted to other branches of the system

These effects prevent sufficient flow from reaching the affected base circuit, even though production capacity is available.

Warning WSIM13003: Actual energy differs from setpoint energy.
WSIM13003

The warning message

image-20260331-103022.png

Meaning

This load validation warning indicates that the simulation completed successfully, but the model behaviour systematically deviates from the intended energy delivery. This warning is triggered when the supplied heat flow is at least 5% below the desired heat flow over the simulation period

Long-term warnings are typically control-related. They indicate that, during simulation period, the system is unable to meet its setpoints. The validation message includes a deviation indication showing how much the delivered energy deviates from the imposed energy. An Error Detection plot is available on the affected base circuit. This plot visualises exactly when and for how long the deviation occurs, allowing you to distinguish temporary effects from recurring problems.

How to solve

Start by reviewing the control strategy of your Hysopt model. The most common causes of long-term warnings are listed below.

Activation mismatch

A very common cause is a mismatch between:

  • The activation of the load on the base circuit, and

  • The activation of the production centre supplying that load

In this situation, the base circuit requests energy while the production system is still deactivated, which inevitably triggers a long-term warning.

What to check:

  • Are production and load activation signals aligned in time?

  • Does the production centre start early enough to serve the load period?

Aligning these activation periods often resolves the warning immediately.

Temperature mismatch

Long-term warnings are frequently caused by a mismatch between:

  • The supply temperature delivered by the production centre, and

  • The temperature level expected by the base circuit

If the supply temperature is too low for heating, or too high for cooling, the system may be unable to deliver the required heat flow.

What to check:

  • Are supply temperatures consistent with the design temperatures of the connected loads?

  • Are control setpoints defined at compatible temperature levels across the system?

If the control strategy is correct and the warning persists, the issue is likely capacity- or distribution-related rather than purely control-related.

Insufficient production capacity

If the production centre is operating at or near its maximum capacity when the warning occurs, this indicates that the system is undersized for the imposed demand.

What to check:

  • Has the production unit reached its peak capacity during the warning period?

  • Does increasing production capacity remove the warning?

In this case, the warning highlights a genuine system design limitation.

Saturated distribution systems

If the production centre still has available capacity, but the required load is not delivered, the limitation is located in the distribution system.

Typical causes include:

  • Pipe diameters that are too small, resulting in excessive pressure losses

  • Pump sizing that is insufficient, limiting achievable flow rates or pressure head

  • Imbalanced distribution, where flow is preferentially diverted to other branches of the system

These effects prevent sufficient flow from reaching the affected base circuit, even though production capacity is available.




General (GEN)

Errors (EGEN)

Currently empty

Warnings (WGEN)

Currently empty