Breadcrumbs

Satellite units and simultaneous flows

Introduction

In collective housing projects (apartment buildings, dormitories, service flats, etc...) the heat distribution for central heating (CH) and domestic hot water (DHW) can be implemented using satellite units. The system is made up of a central boiler room with a boiler and pump, heat distribution through a shared circulation pipe, and finally, a satellite unit that manages the central heating and domestic hot water demands of each apartment.

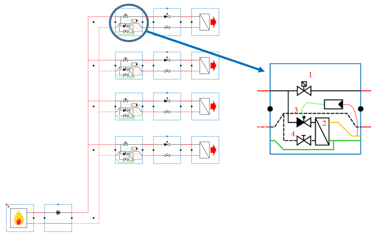
The Hysopt Optimiser has a generic prototype that can be used to design and simulate systems with different types of satellite units. The model consists of an open/closed priority valve (1) that always gives priority to DHW to guarantee maximum comfort. The DHW is separated from the primary grid using a plate heat exchanger (2). The heat exchanger can be described in more detail by entering the specifications of manufacturers and thus capturing the performance of the sanitary heat exchanger. The domestic hot water temperature is regulated using modulating a 2-way valve and a PI controller (3). With a balance valve (4) the domestic hot water design flow rate is balanced.

image2017-4-3_14-59-2.png

Principles of simultaneous flow calculation

As satellite units represent systems with multiple tapping points that can be used simultaneously, proper calculation methods are needed to take this into account. To this end, diversity standards and aggregation methods are used.

For a detailed, step-by-step elaboration on diversity standards and aggregation methods for the flow calculation of domestic hot water & central heating, the user is referred to Diversity and Aggregation .

Simultaneous flows for DHW at the secondary side of the HIU

Domestic hot water flow rates have always been problematic to calculate, because of issues with simultaneous usage of hot water tapping points. Full load conditions (all showers in use at the same time) will result in very large flow rates and oversized pipes. Many calculation methods for simultaneous flow rates are known and used for domestic hot water piping. Most of these methods only account for simultaneous flow rates, and not for simultaneous power, because domestic hot water networks are mostly operated as single pipe / fixed temperature systems.

When carrying over these norms to the central heating system (satellite boilers or heat exchangers), the propagation of simultaneous power also becomes important! This effect is amplified by the fact that central heating often operates at lower power but higher flow rates / smaller temperature delta and domestic hot water heat exchangers operate at higher power but lower flow rates.

Hysopt incorporates an extension of the DIN 1988-300 (2012) standard into the Optimiser. We have extended the calculation to cope with simultaneous central heating and domestic hot water usage, and with a combination of power needed in mixed systems.

In the example below, there is a shower- and a kitchen tap. When the flow rates are summed the total flow rate is 0.22 l/s, When using the simultaneous factor this becomes 0,17 l/s. For one satellite unit, the difference between total and simultaneous flow rate is quite small, in the case of a building with several units the simultaneous flow rate can go to 10% of the total flow rate which has a big impact on the pipe selection.

image2017-4-4_13-17-26.png                                          image2017-4-3_16-20-52.png

Simultaneous flows for DHW & CH at the primary side of the HIU

Based on the DHW design flow rate at the level of the heat exchanger and the performance of the heat exchanger (UA-value - W/K, from the technical specifications of the manufacturer), the primary DHW flow rate is calculated which is necessary for the transfer of the required thermal power. In the given example below, the primary flow rate is 0.86 m³/h and the secondary flow rate is 0.6 m³/h. The primary and secondary flow rate for central heating remains unchanged. The example below shows that there is a big difference between thermal power and flow rate according to CH and DHW, also the UA- value of the heat exchanger influences the primary return temperature and flow rate of DHW.

image2017-4-4_13-18-51.png

Simultaneous flows for DHW & CH at the common pipe sections

Now the design flow rates and thermal power (CH and DHW) are known on the primary side of one satellite unit., the design flow rates and thermal power into the common pipe sections can be determined. The CH flow rates are summed up and the DHW flow rate is calculated using a diversity standard. A small example below:

Two HIUs with both a primary design flow rate of 0.33 m³/h for central heating and 0.86 m³/h for domestic hot water are connected on the same common pipe. To calculate the combined design flow rates, the flow rates for central heating are added up, resulting in a flow rate of 0.66 m³/h. For domestic hot water, the design flow rates are calculated as following:

  • The simultaneous flow rate per satellite unit is reconverted to a total flow rate using the inverse simultaneity formula.

  • The total flow rates are added up.

  • The total combined flow rate is again converted to a simultaneous flow rate using again the simultaneity formula. As the number of tapping points has increased, the diversity factor will differ, such that the combined simultaneous flow rate in the common pipe section will differ from the sum of the simultaneous flow rates per satellite unit.

According to the standard, the calculation needs to be done in liters/second.       


image-20241011-140015.png


image-20241011-135933.png

Flow rate aggregation method

In the section, the design flow rates from CH and DHW in the common pipe sections are calculated separately. To calculate the installation components (pipe sections, primary pump, storage tank, boiler, ...) it is necessary to have one design flow rate and one thermal power. Therefore Hysopt provides three methods to aggregate the flow rates and thermal power in the common pipes.


Note that the Optimiser by default uses the “sum (Based on CIBSE CP1)” method. The user has to change the aggregation method manually whenever another aggregation method needs to be used.

To change the aggregation method, go to “model settings” and go to the tab “Domestic Hot Water“. You can then select one of the following three “primary flow rate aggregation methods”.

  1. Maximum of diversified central heating and diversified DHW flow

  2. Weighted average of diversified central heating and diversified DHW flow

  3. Sum of diversified central heating and diversified DHW flow (Default)


image-20241011-135458.png
image-20241011-133635.png

Maximum of diversified central heating and diversified domestic hot water flow

An example of a design is given below. The model represents an apartment building with eight apartments. Each apartment has its own satellite unit and all are connected to a central boiler plant room with one common circulation pipe.

In the graph, the simultaneous design flow rates for DHW and CH are shown as a function of the number of apartments. The CH flow rate (indicated in blue) increases linearly with the number of apartments. The DHW flow rate (indicated in green) increases non-linearly as a consequence of the diversity factor.

Using the maximal flow rate as the aggregated design flow rate approach, the DHW flow rate will determine the aggregated design flow rate in the common pipe sections when the number of apartments is low. From a certain number of apartments, the CH flow rate will take over the determination of the aggregated design flow rate.

In our example, this implies that the design flow on the common circulation pipe will initially be determined by the central heating design flow. From the moment the first three apartments (apartments 8, 7 & 6) branch off, the design flow will be determined by the domestic hot water design flow.

This determined maximum design flow will then be further used by the Optimiser to select pipe sizes & optimise the system components (like primary pumps, storage tanks, boilers,…).

image2017-5-9_17-6-27.png

The figure below shows a detailed example of the connection of different satellite units and the design flow rates, thermal power, and temperature regimes (CH/DHW) are shown on the labels below. 

aaa.png

A weighted average of diversified central heating and diversified domestic hot water flow

In the second method, the weighted average of central heating and domestic hot water flow is taken into account. In contrast to the first method, this method takes into account that some of the satellite units simultaneously work in DHW mode while others work in CH mode. In those cases, the maximum aggregation approach would lead to flow rates that could be too low.

As an alternative, the Optimiser will determine the aggregated design flow by taking the simultaneous DHW flow rate, added with a fraction of the total CH flow rate. This fraction (called ‘(1-f)’ in the formula below) is determined by taking the complementary fraction of the simultaneous factor 'f' used for the simultaneous DHW flow rate.

This way, the Optimiser takes the simultaneous DHW flow rate as a base for its aggregated design flow and increases it by taking a part of the central heating flow rate into account for those satellite units not in DHW mode.

The calculation below determines the aggregated design power & flow rate for the given example above (see chapter Simultaneous flows for DHW & CH). As you can see, the aggregated design power is calculated similarly.

After calculating the aggregated design flow rate & thermal power, the Optimiser will calculate the return temperature during the ‘compute design flows’ step for a given supply temperature.


image2017-4-4_11-36-26.png


Going back to the same example as was used during the ‘maximum aggregation method’, the graph below now shows the simultaneous design flow rates of DHW and CH as a function of the number of apartments. The CH flow rate (indicated with the solid blue line) increases linearly with the number of apartments. The DHW flow rate (indicated with the solid green line) increases non-linearly as a consequence of the diversity factor. Note that, due to the diversity factor, the simultaneous DHW flow rate is much smaller than the total DHW flow rate (indicated with the dotted green line) as the diversity factor decreases when the number of apartments increases.

Using the weighted average aggregation method, the aggregated design flow rate (indicated by the dotted black line) now is higher than it would be the case when using the maximum aggregation method, but still smaller than when just the total DHW design flow rate would be used.

image2017-4-4_12-59-51.png


Sum of diversified CH and diversified DHW flow

In the third method, there is no distinguishment between “central heating prioritised by DHW” and “Central heating not prioritised by DHW”. The calculations thus starts from the following two separate flows:

  • Diversified DHW flow

  • Diversified CH flow (= central heating prioritised by DHW + Central heating not prioritised by DHW)

Unlike the weighted-average method, the third method simply combines the diversified DHW flow and the diversified CH flow to determine the combined flow rate. This approach is based on the CIBSE CP1 2020 guidelines. Essentially, the DHW and CH flows are diversified independently of one another. After calculating both flows separately, they are aggregated through straightforward addition.

The example below provides a detailed overview of how the diversified flows are calculated at the location marked: image-20241007-113515.png :


image-20241007-115409.png

Domestic Hot Water

  • DHW heat flow if there would be no diversity: 121.1 kW

  • Diversity factor for DHW (based on Based on DIN 1988-300 for apartments): 65.3%

  • Diversified DHW heat flow: 79 kW

  • Diversified DHW flow (▲T_dhw≈28 °C ): 0.69 l/s

Central heating

  • CH heat flow if there would be no diversity: 25 kW

  • Diversity factor for CH (based on CIBSE CP1 2020): 69.6%

  • Diversified CH heat flow: 17.4 kW

  • Diversified CH flow (▲T_CH = 40°C): 0.11 l/s

Combined flow image-20241007-113515.png

  • Combined heat flow = diversified CH heat flow + diversified DHW heat flow =17.4 kW + 79 kW= 96.4 kW

  • Combined volume flow = diversified CH flow + diversified DHW flow = 0.69 l/s+0.11 l/s = 0.80 l/s

Parameterization of the satellite unit

The satellite unit must first be "parameterized" according to the manufacturer’s specifications, by clicking on the pencil a pop-up will appear where the user can fill in the manufacturer’s specifications (see below, parametrize satellite unit). In the graph below it is shown that the UA-value (600 to 1800) is strongly dependent on the primary and secondary flow rates, so to use the correct UA-value according to the design flows (primary and secondary) the constant Cspecs is incorporated, which is calculated with the manufacturer’s specifications, then the UAdesign is calculated.

image2017-4-4_14-56-35.png                            


image-20241011-141037.png

Furthermore, the design flow rate of DHW is determined as the maximum flow rate from the Eco-design draw-off pattern (S, M, L, XL - XXL) that can be set by the pull-down menu (see usage pattern). For simulations, the draw-off pattern between the apartments can be shifted in time so not all apartments use DHW at the same time. The requested design temperatures can be filled in the upper fields.

image2017-4-4_13-41-6.png
image2017-4-4_14-45-8.png

Satellite base circuits

The tab ‘End units and heat exchangers’ in the heating library only has two BCs concerning satellite units. Note that many more of them can be found under the tabs ‘HIU’s. Those are satellite units that are already pre-parameterized with their actal components according to the manufacturing data.

Direct HIU

image-20231019-130126.png
image-20231019-130159.png
image-20231019-130228.png

This BC is a generic prototype that can be used to design and simulate systems with different types of satellite units, as explained at the beginning of this page. It has four components:

  • Two way on-off valve: The control valve at central heating circuit. In case of DHW demand, the BC will always give priority to DHW demand over CH demand by closing the two way on-off valve.

  • Two way valve: The control valve at the heat exchanger of the domestic hot water circuit. It regulates the DHW flow temperature by an internal PI controller.

  • Heat exchanger: Separating the DHW circuit from the primary grid.

  • Balance valve: Balancing the DHW circuit at the primary side of the heat exchanger.

More information on the parameters of those components can be found here:

Control valves Balance valves Heat exchangers (HX) .


The BC itself has three parameters:

Domestic hot water consumption: The simultaneous design flow rate for domestic hot water at the secondary side of the heat exchanger. It’s the maximum sum of all domestic hot water flows within the building, taking into account that not all tapping points are used at the same time. By default, this value is set to 0.6 m³/h.

Note that, besides the simultaneous design flow rate, this parameter also defines the temperature regime of the DHW circuit at the secondary side of the heat exchanger. By default, this value is set to 60/15 °C.

Changing the simultaneous design flow rate can be done in two ways:

  • Static calculation method: Using this method, the flow rate & temperature regime can be directly filled in by the user. Note that the domestic hot water consumption always is entered for 1 dwelling.

  • Diversity standard calculation method: Using this method, the temperature regime is filled in directly by the user, while the flow rate is calculated based on the number of tapping points that are entered by the user and the diversity standard that is selected.

image-20231019-140107.png
image-20231019-140159.png

More information on the calculation of the diversity factor and the diversity flow can be found here: Step 2 : calculation of the diversity factor and the diversity flow .

Keep warm: A parameter that allows the user to select a keep warm strategy. Keep warm strategies prevent the DHW circuit pipes from going cold when there is no load. This way, there is no (or only a limited) delay in response time of hot water supply whenever there is a new load demand. The parameter has two modes:

  • No keep warm strategy: The pipes will not kept warm when there is no load.

  • On/off keep warm strategy: The pipes will be kept warm to their set values during load & no-load periods. The valve lift is the maximal percentage that the two-way valve will open during the off period.

image-20231019-142911.png


By default, the keep warm strategy is set on to a temperature of 45/50 °C when the system is on/off, with a valve lift of 5%.

Note that a keep warm strategy will create a standby heat loss for the HIU during off-periods.

Environment temperature: The ambient temperature of the room in which the HIU is set.

Heat exchanger for HIU (DHW)

image-20231020-054600.png
image-20231020-054646.png

This BC only regards the domestic hot water circuit of the HIU and has the same components as the previous BC, except the two way on-off valve from the central heating circuit.

The BC itself has the same three parameters as the previous BC, as well as three more:

Supply temperature: The design flow temperature at the primary side of the BC. By default, the value is set to 75 °C.

Primary circuit regime propagation: This parameter allows the user to determine how the DHW design power & flow rate should be calculated. The drop-down list contains two options:

  • Concurrent flow rate: The BC behaves as if its load came from a domestic hot water circuit and as if a diversity factor was applied.

    • The design flow rate of the BC at the primary gate is fully propagated upstream.

    • The design power of the primary gate is propagated with its diversity factor.

  • Total flow rate: The BC behaves as if its load came from a central heating circuit and as if no diversity factor was applied.

    • The design flow rate of the BC at the primary gate is fully propagated upstream.

    • The design power of the BC at the primary gate is fully propagated upstream.

If two BCs meet in a branch, their design flow rates & power are added up in the following way:

  • If both BCs are in ‘concurrent flow rate’ modus, their design flow rates are added up. For the calculation of the combined design power, a new diversity factor is calculated to obtain a new simultaneous design flow rate

  • If both BCs are in ‘total flow rate’ modus, their design flow rates are added up, as well as their design power. No diversity factor is applied.

  • If one of the BCs is in ‘concurrent flow rate’ modus, while the other is in ‘total flow rate’ modus, the combined design flow rate is the maximum of both. The optimiser sees the first BC as a DHW circuit and the second BC as a CH circuit and will apply the ‘maximum’ aggregation method, as explained above. In the same way, the combined design power is calculated.

When the BC reaches a branch upstream that is also used for a regular end unit circuit, their design flow rates are added up such as regular circuits. The same is true for their design powers.

Important: The final design flow rate & power calculation is also influenced by the ‘Apply priority for DHW during aggregation’ parameter.

By default, this parameter is set in ‘Concurrent flow rate’ modus. A small example of the design flow rate & power calculation is given in the example below for illustrative purposes.

image-20231020-070654.png


image-20231020-070432.png

Apply priority for DHW during aggregation: This parameter also influences how the DHW design power & flow rate should be calculated. When turned on, the combined design flow rate & power will be calculated with the aggregation methods as explained just above. When turned off, The design flow rate & power is calculated as if the BCs were just regular end units. By default, this parameter is turned on.