Breadcrumbs

New wiki: Inspiration Library - Wizard

The Hysopt Inspiration Library Wizard is created to quickly help the user get the desired concept or template. A search engine with checkboxes is used to filter the total amount of templates available in the Inspiration Library.

To open the Wizard, the user should click on the “Wizard hat” button visualised in the figure below.

image-20220310-101704.png

A new page will open with on the left the checkboxes search criteria and on the right a small summary of the different templates.

image-20200114-123020.png


The summary consists of a small image, a title, filters and a description. If more information is desired, the user can click on “More info” to open a link to the wiki page. The wiki page consists of a detailed description of the template and user guidance to use the template.

image-20200114-123533.png


If the user clicked on the desired checkboxes and has found the desired template, the user can either click on “Open” or “Insert” (the “Insert” button is not visible if no model is opened to insert it in).

If the user clicks on “Open”, the template opens in the designer, whereafter the user can save the model in the desired location.

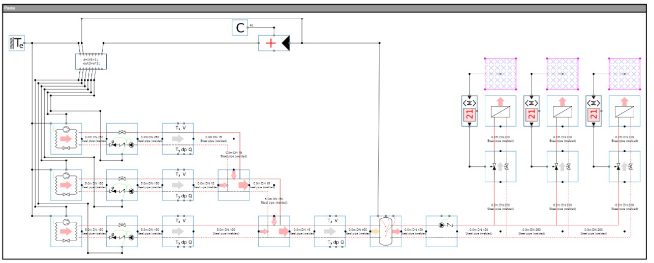
If the user clicks on “Insert”, the user will see a box carrying the model on its canvas with on the top left a “Paste” button. If the user clicks on the “Paste” button, the template is inserted into the model the user was working in. The insert box is visualised in the figure below. (If the box wouldn’t be visual, the user should scroll out far enough to see if the insert box is somewhere hidden on the canvas)

image-20240419-131443.png

More information on the different templates can be found in Inspiration Library - Templates .