Breadcrumbs

Difference

Symbol

image-20221201-133431.png

Usage & working

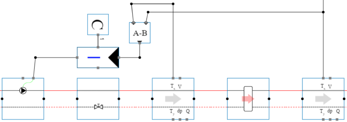
This Base circuit takes the simple mathematical difference between input A and B.

Example

In the example below the volume flow through a low-loss header is controlled to make sure the secondary supply temperature is only 1°C smaller than the primary supply.

image-20221201-133735.png