Breadcrumbs

Step 2: The reference model

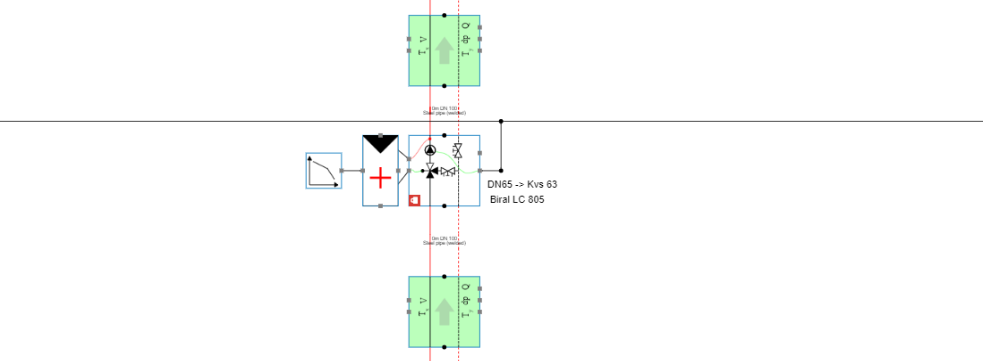
When all the information is gathered, the reference model can be created. This consists of 3 sections, the Plant Room (boilers, CHP, …), the end units (radiators, AHU, DHW), and the control strategy keeping it all together.

Flowchart Template (14)-20220322-075726.jpg

General tips before we get started:

  • Under System peripherals, you can find a sensor, which should be placed as often as possible, for example on pipes by boilers and end units, right before and after low loss headers, in by-passes, and so forth. This will be a great help later on (when you are checking if the reference model works correctly) and will not influence the system at all.

image-20220228-125106.png
image-20220228-125217.png
image-20220228-144443.png
  • To keep a good overview of your model, it is very useful to utilise the labels and add in nomenclature and other information.

    • As an example, here is some useful info for boiler:

      • Power [kW], Pressure loss [mbar], water capacity [l]

image-20220228-154132.png

Now, we can get started with drawing in the plant room/Energy Centre