Breadcrumbs

Solar

The ‘Solar’ template consists of solar thermal panels combined with a storage tank and a basic control strategy.

Solar - Basic control

image-20191213-070803.png

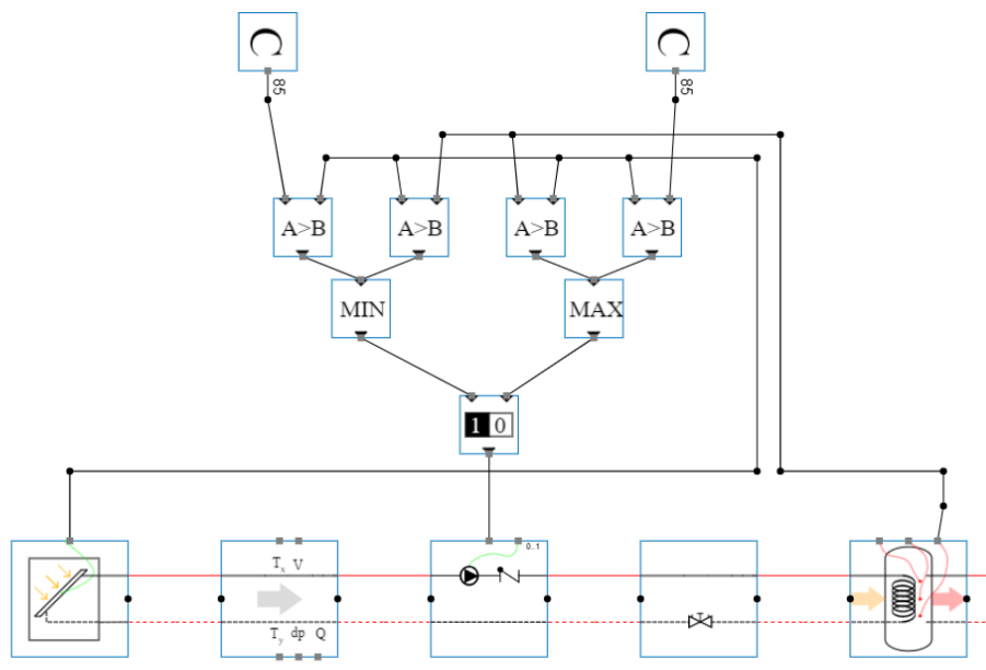
Working principle

The solar collector will capture the thermal energy of the sun. When the temperature inside the solar collector is higher than 85°C and higher than the bottom temperature of the storage tank, the heat from the solar collector will be transferred to the storage tank by activating the pump. If the temperature in the solar collector is lower than 85°C or lower than the bottom temperature of the storage tank, the pump is deactivated.

Notices/Remarks

  • If the user changes the power of the end-units, the thermal capacity of the solar collector doesn’t change automatically. The user should implement a correct capacity corresponded with the thermal power.

    image-20191213-071639.png


    The capacity can be calculated by clicking on the pencil icon on the right side of the capacity. A pop-up window will appear in which the user can enter data from the technical specifications to calculate the capacitance.

    image-20191213-071756.png


  • The user should also implement the solar collector area and the thermal losses to simulate accurately. These parameters can also be found in the technical specifications of the solar collector.