Breadcrumbs

Biomass boiler

The ‘Biomass boiler’ template consists of a biomass boiler combined with a storage tank and a basic control strategy.

Biomass boiler - Basic control

image-20191210-100948.png

Working principle

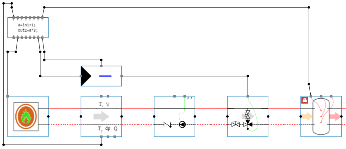
The programmable controller controls the biomass boiler. It gives the setpoint to the external PI-controller for controlling the 3-way valve on the setpoint return temperature. Internally it will enable or disable the biomass boiler and it will calculate the modulation based on the measured return temperature (see figure below).

The biomass boiler is enabled on 4 conditions:

  • Measured return temperature is lower than maximum return temperature.

  • Once the biomass boiler has been disabled the sequence to enable the biomass boiler shall be inhibited for 10 minutes -> check if this timer has run out.

  • Number of starts within 24h is lower than 6.

  • Temperature in TES is lower than 70°C.

 

The biomass boiler is disabled on 1 condition:

  • If measured return temperature is greater than the maximum return temperature during a specific time the biomass boiler will be stopped.

Controls

The following settings can be changed by the user in the programmable controller:

  • SetpointReturn = 70;
    (= setpoint return temperature for biomass boiler in °C)

  • ReturnX1 = 70;
    (= return temperature at maximum modulation in °C)

  • ReturnX2 = 75;
    (= return temperature at minimum modulation in °C)

  • MaxReturn = 80;
    (= disabling return temperature for biomass boiler in °C)

  • TimerValue = 600;
    (= delay timer of 10 minutes after disabling biomass boiler)

  • TimeReset = 8640;
    (= counter reset after 24h or 86400 seconds)

  • MaxStarts = 6;
    (= number of allowed starts per 24h)


The biomass boiler is enabled based on 4 conditions:

  • Measured return temperature is lower than maximum return temperature.

  • Once the biomass boiler has been disabled the sequence to enable the biomass boiler shall be inhibited for 10 minutes.

  • Number of starts in 24h is lower than 6.

  • Temperature in TES is lower than 70°C.


The modulation signal for the biomass boiler is based on the measured temperature as follows:

  • Return temperature < 70°C
    => 100%

  • 70°C < Return temperature < 75°C
    => between 100% and 60% depending on the return temperature, visualised in the figure below

  • 75°C < Return temperature
    => 60%

image-20191210-101511.png

Notices/Remarks

  • When using a thermal energy storage vessel, the user should lock the temperature regime of the biomass boiler, or else the software will continue with the propagated power and return temperature from the installation. The locked temperature regime is visualised in the figure below.

image-20191210-102110.png