Breadcrumbs

CHP & Boiler - Reverse shunt in supply

image-20230906-074005.png


A very common hybrid configuration of CHP systems with boilers is by using an open header (shunt connection). An open header creates an additional hydraulic separation between the two energy-supplying systems. These types of configurations become interesting if there is a need for the possibility of operating these systems together and if it is not wanted to use an additional switching 3-way valve. CHP & boiler - Serial configuration . Make sure that the “Reverse drag flow power on return” block is correctly filled in in order to avoid making design mistakes. Shunt

Working principle

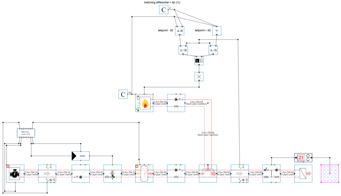
The CHP thermal store is connected to the main part of the building flow, with a reverse shunt connection for the boiler, which is placed in the supply pipe after the CHP. More information about the different configuration possibilities can be found in Hybrid production Heating . The CHP will act as the main heating source, but whenever the CHP is unable to supply the required temperature, the boiler will activate and add heat to reach the required supply temperature. This will result in a slightly lower efficiency of the boilers but using a combination of CHP and boiler systems offer the added value of reducing the overall primary energy consumption through produced electricity.

In the case of using an on/off control principle, the boiler is activated when the flow temperature of the system drops under 78°C, and deactivated when the flow temperature rises over 82°C.

image-20230906-074737.png


The working principle of the CHP control is explained in CHP - Basic Control .

Parameters that must be changed in order to use this model correctly:

All of the parameters for the boilers and CHP have been explained previously on the CHP & Boiler - Parallel configuration page.

Keep in mind that the shunt should also be filled in correctly. Shunt