Breadcrumbs

CHP & boiler - Serial configuration

image-20230707-135844.png

Working principle

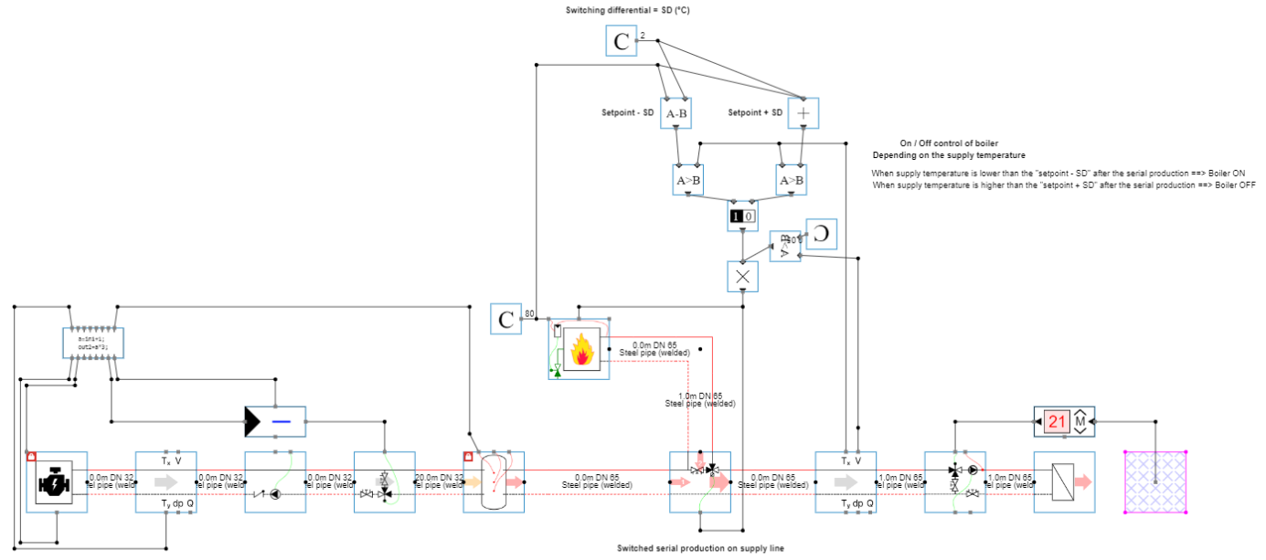
The CHP has a serial configuration with the boiler. More information about the different configuration possibilities can be found in Hybrid production Heating .

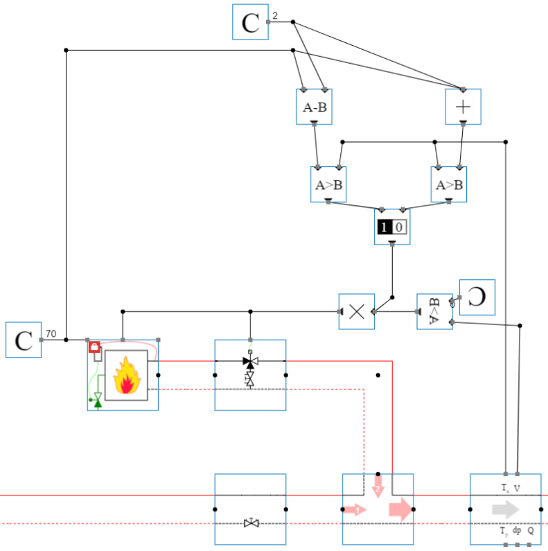
The boiler is activated when the flow temperature of the system drops under 68°C, and deactivated when the flow temperature rises over 72°C. The activation also includes a check for the minimal flow rate, if the flow rate through the system is insufficient, the boiler won’t be activated. For instance, if the installation is shut down, the temperatures in the pipes will drop but the boiler won’t be activated because there is no flow through the system. If the boiler is activated a 3-way valve will be opened, meaning all the flow will go through the boiler, if the boiler is deactivated the 3-way valve will be closed, bypassing the boiler.

image-20191211-154916.png

The working principle of the CHP control is explained in CHP - Basic Control . Also check here to correctly set all information regarding the CHP, as this will not be explained here. This page will only focus on the parallel and boiler.

Parameters to change in order to use this model correctly

These parameters are similar compared to the prescribed parameters in the parallel configuration with on/off-control CHP & Boiler - Parallel configuration . The only thing that changes is the hydraulic connection of the CHP to the boiler. For the series configuration, the same principles apply for the design of the heat flows. For more information, see Serial