Breadcrumbs

CHP - Basic Control

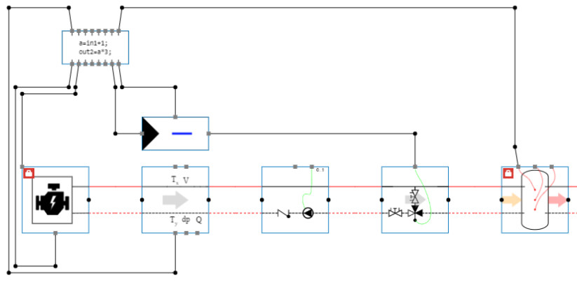
The ‘Combined Heat and Power’ template consists of CHP combined with a storage tank and a basic control strategy, written out in the controller .

Similar to the other controllers, there are 2 sections: The Energy centre and the controller itself, with an oversimplified secondary side (which, if you have modeled your own, can be deleted).

CHP - Basic control

image-20191230-081730.png

Settings to change to use the controller

Since the controller is set up to be used by anyone, there are some personalisations to do, in order to align the controller with the project.

  1. Setting the CHP (Combined Heat & Power) capacity correctly, at the right reference return temperature

  2. The electrical & thermal efficiency table

    1. If these are known, they should be filled in to accurately reflect the electrical and thermal power usage.

  3. Pressure drop through KV-value

  4. Capacitance (water content & metal mass)

    1. Keep in mind that the right capacitance is important in order to have a stable control (1l of capacitance compared to 100l of water capacitance requires a higher amount of capacity)

    2. If no water content is known, assuming 1l/kW is a good starting position

Make sure that the hydraulics are correct. Set both the pump and 3-way valve correct, and either add or subtract other hydraulic components.

Also set the buffer vessel with the correct capacity (example 200 kW if the CHP is 200 kW), correct delta T and the correct volume of the vessel. If there is information known about the sensor placement, this can also be filled in.

The controllers working principle

The programmable controller controls the CHP, by enabling and disabling, as well as calculating the modulation of the CHP based on the measured return temperature.

The CHP is enabled on 4 conditions:

  • The measured return temperature is lower than the maximum return temperature.

  • Once the CHP has been disabled the sequence to enable the CHP shall be inhibited for 10 minutes -> check if this timer has run out.

  • A number of starts within 24h is lower than 6.

  • The temperature in TES is lower than 70°C.

All of these values can be changed in the controller to adapt to the actual control/CHP used on site.

The CHP is disabled on 1 condition:

  • If the measured return temperature is greater than the maximum return temperature during a specific time, the CHP will be stopped.

It will also supply the setpoint to the external PI-controller, which controls the 3-way valve to achieve the set return temperature. In case that there is no 3-way valve, this can simply be disconnected without needing any changes to the control.

The controllers parameters

There may be some necessary tweaking, in order to have a proper control of the CHP’s. In order to do this, the parameters should be changed.

The parameters are as follows:

  1. Timestep

    1. Standard value: 30 (in seconds)

    2. This is the standard timestep of the software and is needed to calculate the need for activation. If this standard is not changed in the model, this value should also be kept the same.

  2. SetpointReturn

    1. Standard value: 70 (in °C)

    2. The setpoint return temperature for CHP, which the 3-way valve will be controlling towards

  3. MaxReturn

    1. Standard value: 80 (in °C)

    2. The return temperature at which the CHP will disable

  4. ReturnX1

    1. Standard value: 70 (in °C)

    2. The return temperature at which the CHP will run at maximum modulation (return temperature up to value X2 → In this case if the return temperature is between 70 and 75, the CHP will run at 100%)

  5. ReturnX2

    1. Standard value: 75 (in °C)

    2. The return temperature at which the CHP will run at minimum modulation (return temperature up to value MaxReturn → In this case if the return temperature is between 75 and 80, the CHP will run at minimum modulation)

    3. The value is standard at 60% but can be changed by diving into the controller if needed

  6. TimerValue

    1. Standard value: 600 (in seconds)

    2. This timer delays for 10 minutes after disabling the CHP, in order to not immediately restart the CHP and avoiding unhealthy CHP behavior

  7. TimeReset

    1. Standard value: 86400 (in seconds)

    2. This value is needed for an implemented counter in the controller, that calculated the amount of starts in the day. The value of 86400 allows the counter to reset every day.

    3. If different counters are needed, this value can be changed, but keep in mind to change the value in seconds

  8. MaxStarts

    1. Standard value: 6

    2. The maximum amount of starts for each day

Notices/Remarks

  • The user should lock the nominal thermal power and return temperature of the CHP. If not, the software will calculate with the propagated power and return temperature from the installation.

  • When using a thermal store, the user should lock the temperature regime of the CHP. If not, the software will calculate with the propagated power and return temperature from the installation.

  • It is possible to upload electrical and thermal efficiency tables, by clicking on the pencil icon. The user can download an example file by clicking on the grey arrow icon. After adjusting this file, the user can upload it back to the CHP by clicking on the blue arrow icon.

  • The user can change the design temperatures, thermal power, and end units… But keep in mind that the controls have to be changed as well. This can be done by changing the “settings” in the programmable controller which are listed at the top of the code. After changes in the settings, the correct operation has to be checked again. The user should only change the “settings” and nothing else in the code to make sure the correct control strategy is still valid.

  • If the user changes the power of the end units, the thermal capacity of the CHP doesn’t change automatically. The user should implement a correct capacity corresponding with the thermal power of the CHP.

More information about CHP can be found in ​ CHP (Combined Heat & Power) .