Breadcrumbs

Canvas management, Floor plan manager and Layers


Canvas Management

Every Hysopt project starts with a single blank page to draw everything in, however, very often you will find the need for multiple canvasses. This is done through the canvas manager.

Hysopt also has an important function that can be used to easily and quickly implement the building network into the software, through the use of floor plans.

Once a floor plan has been implemented and scaled, any pipe drawn over this floor plan is scaled as well, and hence, pipe lengths do not have to be entered.

You can implement PDF or PNG files as floor plans using the canvas manager. First press the Canvas selection and management button in the upper banner. Secondly, the Canvas mananagment button can be pressed to add or change the canvasses in the current project.

image-20231205-161831.png
image-20231205-162121.png

Canvas manager: P&ID Canvas

The canvas manager controls all the canvasses in the project. The canvas that is created by default when creating a model will hold the name “Canvas 1” as shown below. A P&ID canvas is the standard canvas, which is a blank slate without any scaling, often used to draw in the energy centers or conceptual models

Creating a new P&ID canvas can be done by pressing the create button in the Canvas Manager.

image-20220311-104906.png

You will see the following screen where a name can be entered as well as the choice between P&ID and Floor plan. To create a P&ID canvas, select P&ID and enter a unique Canvas name. Next, press create.

image-20220311-105000.png

To open your newly-created canvas, you need to close the canvas manager first. Next, you can click on “Canvas selection and management” and select the “New Canvas” in the side bar to switch to the new canvas.

image-20241112-091748.png



The Canvasses will be sorted alphabetically based on the name. Giving proper names to your Hysopt canvasses can help you to keep the Hysopt model structured.

Canvas Manager: Floor plan Canvas

To create a new floor plan canvas, you must first open the canvas manager and press create as shown below.

image-20220311-104906.png

You will see the following screen where a name can be entered as well as the choice between P&ID and Floor plan. To create a Floor Plan canvas, select Floor Plan and enter a unique Canvas name.

When you select Floor Plan, an extra drop-down will appear. The drop-down carries a list of floor plans that have been uploaded to the Hysopt model using the Floor Plan Manager. Select the Floor Plan from the list that you want to use for the particular canvas as background and for scaling purposes.

If you’re floor plan is not yet in the list, please consult the section of Floor Plan Manager first.

image-20241112-092512.png


To open the newly-created Floor Plan canvas, you need to close the canvas manager first. Next, you can click on “Canvas selection and management” and select the “New Canvas” in the side bar to switch to the new canvas. The floor plan will open.

image-20241112-091748.png

Floor plan manager

The floor plan manager is a feature that allows you to upload, scale and manage floor plans in a Hysopt model. To get to the floor plan manager and upload a new floor plan, follow the steps as depicted below:

image-20241210-084442.png
Workflow to create a new floor plan in te floor plan manager

When clicking create, you get to the floor plan upload page. Here, you can browse any floor plan on your computer. Floor plans can be either a .pdf or .png file.

image-20220311-121111.png

Next, you can use the zoom & pan functionality integrated in the floor plan upload page to assist analysis/scaling of the uploaded floor plan. When hovering over the floor plan, the functionalities work as follows:

  • Zoom in / Zoom out: using the scroll wheel of the computer mouse

  • Pan view: Middle (scroll wheel) or right-click, depending on your settings under User preferences .

Next, you can add a scale to the floor plan so that drawn pipes will automatically be given the correct lengths. scale the floor plan by following the next steps.

  1. Click browse and select a pdf or png file to scale

  2. Click the triangle on the right-hand side to draw a line

  3. Draw a line (of which you know the length) by clicking twice, once on starting position and once on the ending position.

  4. implementing the distance of the line to scale (in m).

image-20220311-121830.png

By now clicking create you have made a floorplan (the name of which will be correlated to the pdf/png name).

If you now go back to the canvas manager and create a new canvas the floor plan will appear in the dropdown list. You can select the right floor plan, implement a name and click create to finish the creation of your floor plan.

image-20220311-122254.png

It is recommended to check if the scaling is correct by zooming in on the model and drawing a small pipe (For example a door opening, or another line where the distance is known.).


For district heating networks, a city plan can also be implemented as a background. In the example below, the energy center is in the red circle with the Hysopt logo, and the network consists of six building blocks. See District Heating and Real-Time Simulation (RTS) versus Imposed Load Simulation (ILS) for more information on district heating and building blocks.

image-20190826-111419.png

Upload issues

Hysopt support 2 filetypes for floorplans to upload (PDF or PNG)

In some scenario’s an upload or the processing of the floor plan might fail.

If you try to upload a PDF an it fails, try following steps :

  • compress your PDF

  • convert to PNG

A good and free tool to do this, is PDF24. You can use this tool


First of all, links can only be placed between two canvasses, not inside a single canvas.

When creating a link between two canvasses, you need to create the required canvasses inside the canvas manager (see example below).

image-20220308-145553.png

When you're done modeling your system in Hysopt, you click on the "canvas link" to make your link.

The cursor name will say "Link source" when clicking on the end-node of the pipe inside canvas 1 the cursor name will change to 'Link to Canvas1'.

image-20220308-145759.png

Then you go to the other canvas, with which you want to link canvas 1.

You then again click on the end-node pipe, and a pop-up will appear where you need to enter a unique link name.

image-20220308-145834.png

Below you can see the result.

Reminder: link names can't be changed after you created one. You can only change it by deleting it and making a new link.

image-20220308-145907.png

Layers in Hysopt

The Layers in Hysopt allow users to manage the visibility of various groups of components and visual aids in a model. By toggling layers on or off, users can control which elements are visible, helping to declutter the workspace or focus on specific aspects of the model. Even when hidden, components in a deactivated layer remain present within the model, preserving functionality and connections.

Based on your specific Hysopt License, some layers might be invisible to you.

You can open the layers by clicking image-20241112-093455.png at the right-hand side of the top ribbon bar. A new sidebar opens, displaying the different layers.

image-20241112-093330.png

Zone Layer

This layer allows the user to quickly hide all zones in a model. This functionality is especially useful on floor plans, where zones can be drawn in custom shapes, potentially covering bigger parts of the floor plan. The zones layer can then quickly hide all zones, with no need to remove them from the model. Another use-case might be that you want to move the whole hydronic design, but want the keep the zones at the same location. Then you can deactive the zones layer, mover everything else and activate the zones layer again.

image-20241112-093952.png
Model with “Zones” layer deactivated

Text Layer

The Text Layer manages the visibility of all labels and dynamic labels that have been added to the model by the user. Turning off the text layer can be very useful in models that are intensively annotated to allow to focus on the hydronic design.


image-20241112-095002.png


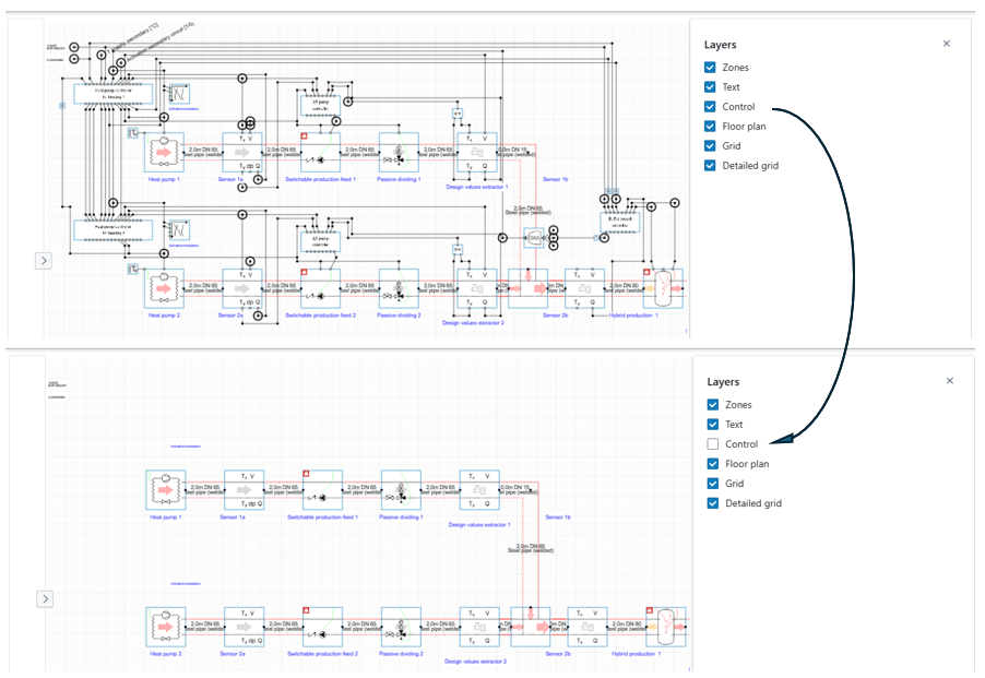
Control Layer

The Control Layer is used to show or hide all control elements within the model, including control lines and control connectors on BCs. Hiding the control layer is common when focusing on the design, where control strategy might not be relevant yet. As shown by the example below, hiding the control layer in fully-deverloped models can provide a focus on the actual components again.

The functionality is also useful when downloading the Hysopt model as P&ID. Without the control elements, the P&ID nicely focusses on the hydronic topology and the provided annotations.

image-20241112-095630.png


Floor Plan Layer (Ctrl+B)

The Floor Plan Layer allows to quickly hide the floor plan model so that the hydronic topology of the installation itself becomes clear. The functionality is especially useful after having drawn all pipes using the visuals of the floor plan, when wanting to analyse the installation itself.

The floor plan layer can also be toggled using the hotkey “Ctrl+B”, or via the operations image-20241112-100307.png as shown below:

image-20241112-100147.png


Grid Layer (Alt + G)

The Grid Layer is a visual tool that helps in positioning and aligning components within the model. When enabled, it displays a basic grid in the background of the workspace. This grid helps in maintaining an organized layout. Deactivating the Grid Layer removes this background guide, which may be useful for a cleaner view of the components.

Te grid plan layer can also be toggled using the hotkey “Alt+G”, or via the operations image-20241112-100307.png .


image-20241112-103109.png


Detailed Grid Layer (Alt + Shift + G)

The Detailed Grid Layer, or fine grid, offers a more precise alignment than the regular grid. The finer grid is especially useful when drawing control lines to control connectors, while maintaining a structured model.

The detailed grid layer is independent from the “Grid layer”.

The grid plan layer can also be toggled using the hotkey “Alt+Shift+G”, or via the operations image-20241112-100307.png .


image-20241112-103044.png