Breadcrumbs

Heat Pump stages

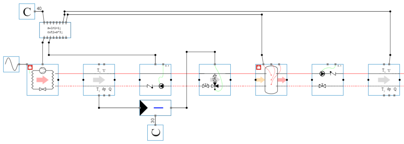
Air Source Heat Pump (ASHP) - HP stages

image-20191211-104142.png

Working principle

The programmable controller controls the heat pump. If the top of the thermal store is below the setpoint, 40°C in this case, and the supply flow rate is higher than the minimum required flow rate, the heat pump is activated. The heat pump has in this case 2 compressors. From the moment the heat pump is activated, the first compressor will start after a certain amount of time (= stage 1). If the temperature in the top of the thermal store isn’t met yet after a certain amount of time, the second compressor will start (= stage 2). Delays are used to avoid on/off behaviour of the compressors.

The PI-controller will modulate the 3-way valve to make sure the minimum required temperature of 30°C is met.

Controls

The setpoint temperature can be changed with the “C” Base Circuit outside the programmable controller.

The following settings can be changed by the user in the programmable controller:

  • deltaT = 2;
    (= hysteresis temperature, for minimal and maximal temperature before activation, or deactivation, in °C)

  • minFlow = 0.3;
    (= minimal flow rate before activation, or deactivation, in m³/h)

  • a = SP - deltaT;
    (= minimal temperature for activation, in °C)

  • b = SP + deltaT;
    (= maximal temperature for deactivation, in °C)

  • trap1 = 0.5;
    (= modulation signal in stage 1, in % )

  • trap1 = 1;
    (= modulation signal in stage 2, in % )

  • stageOnSwitchMinutes = 10;
    (= time delay before activating a new stage, in minutes )

  • stageOffSwitchMinutes = 5;
    (= time delay before deactivating a stage, in minutes )

  • betweenStagesTimeMinutes = 10;
    (= time delay between stages, in minutes )

Notices/Remarks

  • The system can be further optimised by doing sensitivity studies. For instance, a sensitivity study can be done for the size of the storage vessel.

  • The user can change the design temperatures, thermal power, end units, etc. Keep in mind that the controls have to be changed as well. This can be done by changing the “settings” in the programmable controller which are listed in the top of the code. After changing the settings, the correct operation has to be checked again. The user should only change the “settings” and nothing else in the code to make sure the correct control strategy is still valid.

  • If the user changes the power of the end units the thermal capacity of the condenser doesn’t change automatically. The user should implement a correct capacity corresponded with the thermal power of the heat pump.

More information about the HP can be found in Heat pump .

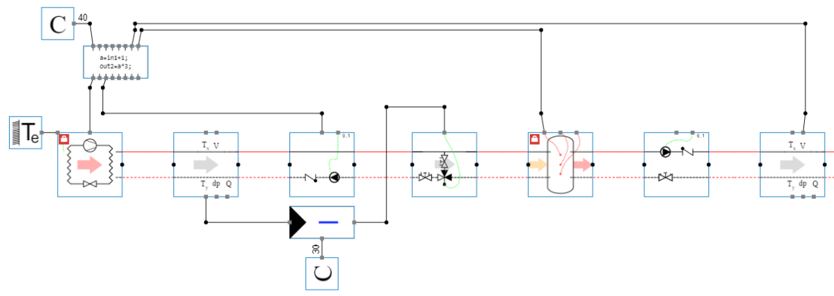
Ground Source Heat Pump (GSHP) - HP stages

image-20191211-104207.png

Similar to the previous template, except this is a Ground Source Heat Pump (GSHP) instead of an Air Source Heat Pump (ASHP). The difference is specified in Air source vs. Ground source heat pump (under construction) .