Breadcrumbs

Reversible heat pump

Working principle

Reversible heat pumps work similarly to regular heat pump, but they can reverse the heat pump cycle such that they can provide both heating and cooling to the internal space. Using a reversing valve, the refrigerant’s flow direction is reversed, the condenser coil becomes the evaporator coil and vice versa.

When working in heating mode, the outdoor coil acts as the evaporator and heats the refrigerant at low temperature. The refrigerant passes through the reversing valve towards the compressor. The indoor coil acts as the condenser and cools down the refrigerant, transferring its heat toward the secondary circuit, where it will be used to heat the system.

When working in cooling mode, the reversing valve changes its position, reversing the refrigerant’s flow cycle. The outdoor coil now acts as the condenser that dissipates heat, cooling down the refrigerant coming from the compressor. The indoor coil becomes the evaporator, where the refrigerant will absorb heat, cooling the system.

image-20240103-085042.png

The reversible heat pump thus can both heat and cool, but it can only provide one at a time. Only the indoor coil is connected to the circuit, which implies that the heating flow and the cooling flow use the same pipe system. This makes the behavior of the reversible heat pump very different from the behavior of the heat pump for heating and cooling (see Heat pump for heating and cooling ), where the heat pump is connected to the heating circuit on the evaporator side and connected to the cooling circuit on the condenser side.

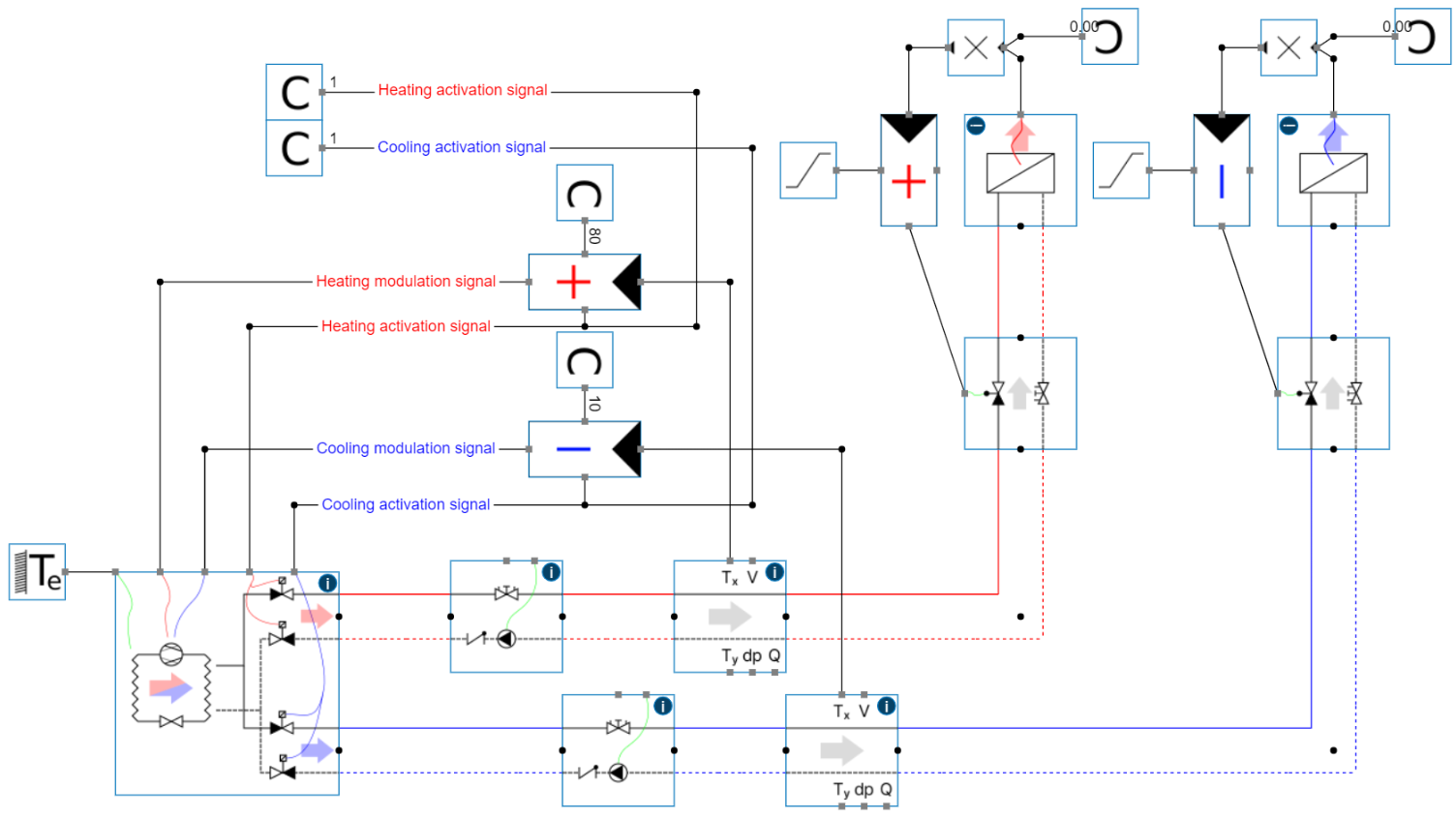
Reversible heat pump Base Circuit

The reversible heat pump BC represents the principle discussed above. Note that the indoor coil has two connections: The heating circuit and the cooling circuit. Two pairs of control valves ensure that the cooling circuit is closed off when the reversible heat pump works in heating mode, and that the heating circuit is closed off when the reversible heat pump works in cooling mode.

image-20240515-134038.png
Overview of the reversibe heat pump BC with complete parameter list

The reversible heat pump BC itself has four parameters:

Environment temperature: The temperature of the room/environment in which the heat exchanger is placed. This parameter is used to take heat losses from the heat pump to its environment into account during simulation. This is an optional parameter. If no value is filled in, the outside temperature is taken by default.

Design configuration: This is an important parameter, as it defines the method the Hysopt software will use to size the heat pump. There are three options:

Heating and cooling demand (Highest) (Formerly known as electric demand): In this mode, the Optimiser will determine the size of the reversible heat pump based on the minimal electric power that is needed to satisfy both heating and cooling conditions. Based on the design heating and cooling flows, the required compressor power for each situation is calculated using the COP & Power tables. The situation that requires the highest compressor power is used to size the reversible heat pump.

Heating demand: In this mode, the Optimiser will determine the size of the reversible heat pump to meet the thermal installed capacity requirement for the heating condition.

Cooling demand: In this mode, the Optimiser will determine the size of the reversible heat pump to meet the thermal installed capacity requirement for the cooling condition.

The Heating and cooling demand (Highest) mode cannot be used when locking the parameters ‘Design power’, ‘Reference evaporator temperature’, or ‘reference condenser temperature’.

See below for an elaborated example of how the different design configurations affect the sizing of the heat pump.

Simulation configuration: This parameter defines whether the heating or cooling mode will be prioritized. There are thus two options:

Heat leading: In this mode, the Optimiser will prioritize heating over cooling. When the reversible heat pump is fed a heating and a cooling signal that are both larger than zero, the Optimiser will activate the heating mode and de-activate the cooling mode.

Cold leading: In this mode, the Optimiser will prioritize cooling over heating. When the reversible heat pump is fed a heating and a cooling signal that are both larger than zero, the Optimiser will activate the cooling mode and de-activate the heating mode.

See below for an elaborated example of how the different simulation configurations affect the behavior of the heat pump.

UA value supply pipes: This parameter determines the heat losses on the very short pipe section that is integrated within the reversible heat pump BC at the supply side of the two way on/off valves. By default, this parameter is set to 0 W/K.

This parameter does not aim to imitate the heat losses of the reversible heat pump. See below for an elaborated example of this parameter to better understand its practical use,


The reversible heat pump BC additionally has three more components:

Heat pump: Representing the parameters of the actual heat pump itself. The heat pump component has nine parameters. For an in-depth description of those parameters, see Heat pump .

KV value indoor coil: A parameter for the pressure drop at the indoor coil (the condenser in heating mode) of the reversible heat pump. The KV value expresses the amount of flow that is needed for a pressure drop of 1 bar. This must be manually filled in by the user, as its value will affect the pressure drop propagated upstream during the ‘optimise components’ step. By default, this value is set at 100.

UA value indoor coil: A parameter for the heat losses at the indoor coil (the condenser in heating mode) of the reversible heat pump to the environment. These heat losses depend on the temperature difference of the heat pump’s indoor coil temperature and the environment temperature. By default, this parameter is set to 0 W/K.

Capacitance indoor coil: A parameter for the heat inertia of the indoor coil (the condenser in heating mode) of the reversible heat pump. The capacitance represents the amount of energy that is needed to increase the coil’s temperature by one Kelvin. By default, this parameter is set to 10 000 J/K.

Compressor configuration: A parameter that determines how the reversible heat pump can modulate its electrical input. The heat pump’s compressor can either be controlled by a variable speed drive, or by compressor stages. By default, this parameter is set to a VSD drive with a minimal modulation of 0 % and a start-up delay of 0 s.

COP table: The table that the Hysopt software uses to determine the heat flow of the reversible heat pump. based on the electrical input power, the reference temperatures and the modulation signal.

There is no EER table. The reversible heat pump BC only accepts a COP table as input. In cooling mode, the Hysopt software will determine the EER as follows: EER = COP - 1.

Power table: The table that the Hysopt software uses to determine the electrical input power of the reversible heat pump, based on the reference temperatures and the modulation signal.

Design power: The thermal design power of the reversible heat pump. To define whether this parameter belongs to heating or cooling, the right mode has to be selected at the design configuration parameter.

Reference evaporator temperature: The reference air temperature at the outdoor coil for which the reversible heat pump’s design power is defined in heating mode, or the reference supply temperature at the indoor coil for which the reversible heat pump’s design power is defined in cooling mode.

Reference condenser temperature: The reference supply temperature at the indoor coil for which the reversible heat pump’s design power is defined in heating mode, or the reference air temperature at the outdoor coil for which the reversible heat pump’s design power is defined in cooling mode.

Watch out when you lock the design power & the reference temperatures! The indoor & outdoor coil changes its evaporator/condenser function when changing from heating to cooling mode. Take care that you correctly fill in the right values at the parameters corresponding to the mode in which the design configuration is set.

Two way on-off valve for heating: The control valve that opens & closes the heating circuit. For more information on its parameters, see Control valves .

Two way on-off valve for cooling: The control valve that opens & closes the cooling circuit. For more information on its parameters, see Control valves .

Impact of the design configuration on the calculated heat pump size

For the same hydronic system, the choice of the design configuration can highly impact the results of your model. In this section, we’ll investigate the differences between the three different modes. We do this investigation two times: once without locking the design parameters of the heat pump, and once after locking the design parameters of the heat pump.

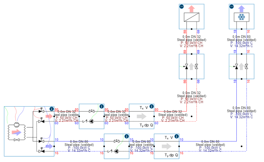
We’ll analyze the following model:

image-20240115-133940.png


The heating circuit has a design flow of 50 kW and a temperature regime of 80/60 °C. The cooling circuit has a design flow of 100 kW and a temperature regime of 10/16 °C.

First exploration: No parameter locking of the heat pump

As we are not locking any parameters, we give the Optimiser the freedom to freely size the heat pump based on the design configuration algorithm.

Cooling demand

If the design configuration of the reversible heat pump BC is set to cooling demand, the Optimiser will determine the size of the reversible heat pump to meet the thermal installed capacity requirement for the cooling condition, without looking at the heating requirement.

When optimising the system components, we get the following result:

image-20240103-104434.png

The Optimiser sizes the heat pump such that it has a thermal cooling capacity of 100 kW for its given design conditions. These design conditions are:

  • The design flow of the cooling circuit: 100 kW, the secondary installed capacity of the cooling circuit.

  • The design temperature at the indoor coil: 10 °C, the supply temperature of the cooling circuit.

  • The design temperature at the outdoor coil: 30 °C, the worst-case ambient temperature in cooling mode.

The worst-case ambient temperature in cooling mode is set to 30 °C by default and can currently not be changed by the user.

The reversible heat pump is thus sized to meet the thermal installed capacity requirement for the cooling condition. Note that this heat pump has only an installed thermal heating capacity of 37.5 kW in heating mode.

Heating demand

If the design configuration of the reversible heat pump BC is set to heating demand, the Optimiser will determine the size of the reversible heat pump to meet the thermal installed capacity requirement for the heating condition, without looking at the cooling requirement.

When optimising the system components, we get the following result:

image-20240103-104800.png

The Optimiser sizes the heat pump such that it has a thermal heating capacity of 50 kW for its given design conditions. These design conditions are:

  • The design flow of the heating circuit: 50 kW, the secondary installed capacity of the heating circuit.

  • The design temperature at the indoor coil: 80 °C, the supply temperature of the heating circuit.

  • The design temperature at the outdoor coil: -10 °C, the worst-case ambient temperature in heating mode.

The worst-case ambient temperature in heating mode is set to -10 °C by default and can currently not be changed by the user.

The reversible heat pump is thus sized to meet the thermal installed capacity requirement for the heating condition. Note that this heat pump has an installed thermal cooling capacity of 133.5 kW in cooling mode.

Heating and cooling demand (highest)

If the design configuration of the reversible heat pump BC is set to Heating and cooling demand (highest) (Formerly displayed as electric demand), the Optimiser will determine the size of the reversible heat pump based on the minimal electric power that is needed to supply to the compressor to meet the thermal installed capacity requirements for both the heating & cooling conditions.

When set in Heating and cooling demand (highest) mode, the Optimiser does not simply look at the highest secondary design power for heating & cooling but at the most stringent demand for sizing of the heat pump.

When optimising the system components, we get the following result:

image-20240103-105213.png

The heat pump is sized similarly to in heat demand mode. This is because, when looking at the design conditions for heating, the reversible heat pump will need a higher compressor power to deliver the required thermal installed capacity than when looking at the design conditions for cooling, even while the secondary design power for cooling is twice the secondary design power for heating!

Determining the minimal needed electric power for the heat pump

To illustrate the previously found result, we quickly elaborate on the calculation of the minimal needed electric power for the heat pump. To this end, we use the (default) COP-table & power table that the reversible heat pump is currently using. For more info on the usage of the tables can be found here: Heat pump .

image-20240103-123801.png

In heating mode, the default COP-table shows a COP of 1.62 at -10 °C evaporator temperature, 80 °C condenser temperature & full modulation. The power-table shows a power factor of 0.823438. Using the formula above, the electric power needed is:

image-20240103-154207.png

In cooling mode, the default COP-table shows a COP of 5.29, which implies an EER of 4.29 at 10 °C evaporator temperature, 30 °C condenser temperature & full modulation. The power-table shows a power factor of 0.83. Using the formula above, the electric power needed is:

image-20240103-154516.png

If the reversible heat pump thus wants to satisfy both the heating & cooling requirements, the heating mode is the critical mode, and the minimal needed electric power is 37.5 kW. This results in a design power of 50 kW in heating mode (Air -10 °C/ Water 80 °C), and a design cooling power of 133.5 kW in cooling mode (Air 30 °C/ Water 10 °C).

Second exploration: Locking the design parameters of the heat pump

Let’s now take a look at what happens with the different design modes when we lock the parameters based on the heating mode with

  • The design power: 50 kW, the secondary installed capacity of the heating circuit.

  • The reference temperature at the indoor coil: 80 °C, the supply temperature of the heating circuit.

  • The reference temperature at the outdoor coil: -2 °C, the worst-case ambient temperature in heating mode.

image-20240104-094755.png

Heating demand

When optimising the system components, we get the following result:

image-20240105-073608.png

The Hysopt software gives an error that the heating load cannot be achieved in its design conditions. Remember that the design conditions assume a temperature of -10 °C at the outdoor coil. Since we manually overrode this condition to a reference evaporator temperature of -2 °C, the software sized the reversible heat pump smaller than it did previously when no parameters were locked.

Determining the electric power of the sized heat pump

To illustrate the difference between the reference temperature and the design temperature, we’ll once more calculate the electric power for the heat pump. Using the default COP & power tables, we find a COP of 1.75 and a power factor of 0.9 at -2 °C evaporator temperature, 80 °C condenser temperature & full modulation. Using the formula above, we find, for a design power of 50 kW, an electric power of 31.75 kW. Remember that we previously found an electric power of 37.5 kW.

The reversible heat pump is thus sized following the locked reference conditions, which results in a smaller heat pump than it would be sized following the design conditions. The software will warn the user that this heat pump is too small to deliver the design heat load for its design conditions. However, if you only care about reaching your design power at your reference conditions, you can ignore this warning.

Cooling demand

When optimising the system components while keeping the same parameters locked in cooling demand, we get the following result:

image-20240105-081016.png

The software now uses the heating reference conditions as if it were reference conditions for cooling. The software thus believes that the supply temperature of the cooling circuit will be -2 °C,, and that the worst-case ambient temperature in cooling mode will be 80 °C. At those reference conditions, it will size the heat pump to supply 50 kW of cooling power.

Heating and cooling demand (highest)

When optimising the system components while keeping the same parameters locked in Heating and cooling demand (highest), we get the following result:

image-20240105-082308.png

The Hysopt software will not be able to perform its calculations. The Heating and cooling demand (highest) mode is meant to explore the optimal size of the reversible heat pump, such that both the heating & cooling conditions are met. It therefore cannot work once a design parameter is locked. So, to continue, you either have to unlock the design parameters, or you have to choose another design mode.

Impact of the simulation configuration on the heat pump behavior

Take a look at the following model. The reversible heat pump supplies a heating & cooling circuit that both require a heating/cooling load at the same time. However, the reversible heat pump cannot both heat and cool at the same time. So what will happen?

image-20240108-072810.png


Heating leading

When the reversible heat pump’s simulation configuration parameter is set in heat leading, we get the following results:

image-20240108-072742.png

The reversible heat pump works in heating mode. The cooling activation signal is overwritten, and the control valves at the cooling circuit are closed.

When the reversible heat pump receives an input signal for both the heating & the cooling system, it will prioritize the heating signal. Only when the heating signal becomes zero, the reversible heat pump will look at the cooling signal.

This last statement can be seen in the results below. The heating signal is de-activated after 18h, enabling the reversible heat pump to switch to cooling.

image-20240108-074838.png

Cold leading

The figure below shows the results when the reversible heat pump is set in cold leading. The cooling signal gets priority over the heating signal. As a consequence, the heating system is shut off, and the heat pump works continuously in cooling mode.

image-20240108-075302.png

Significance of the UA value on the supply pipes

The ‘UA value supply pipes’ parameter determines the heat losses on the very short pipe section that is integrated within the reversible heat pump BC at the supply side of the two way on/off valves. This parameter does not aim to take heat losses into account, but is rather used for visual correctness of the simulated results.

Take a look at the model below.

image-20240108-080153.png

The reversible heat pump is designed for electrical demand and put in heat leading. With the UA value of 0 W/K on the supply pipes, we get the following results.

image-20240108-080635.png

From 0 to 18h, the reversible heat pump works in heating mode. Afterwards, it switches to cooling mode.

When we look at the supply temperatures, we see that both the heating and the cooling circuit have the same supply temperature (equal to the heating temperature in heating mode and the cooling temperature in cooling mode). However, as there is no flow in the cooling circuit during heating mode, one would assume that the supply temperature in the cooling circuit during heating mode drops to its environment temperature (and vice versa for the heating supply temperature in cooling mode). As there are no heat losses taken into account, this is not the case in the simulated results.

With the UA value of 100 W/K on the supply pipes, we get the following results.

image-20240115-140751.png

The supply temperature on the cooling circuit now drops to the environment temperature during heating mode, and the supply temperature on the heating circuit drops when the reversible heat pump is working in cooling mode.

The ‘UA value on supply pipes’ parameter thus represents a more correct temperature behavior of the reversible heat pump on its heating & cooling circuit. As this heat loss is only applied to an very small pipe section, it only slightly affects the actual heat losses of the reversible heat pump.